EasyManua.ls Logo

Lennox G26Q2-50

Lennox G26Q2-50
31 pages
To Next Page IconTo Next Page
To Next Page IconTo Next Page
To Previous Page IconTo Previous Page
To Previous Page IconTo Previous Page
Loading...
Page 19
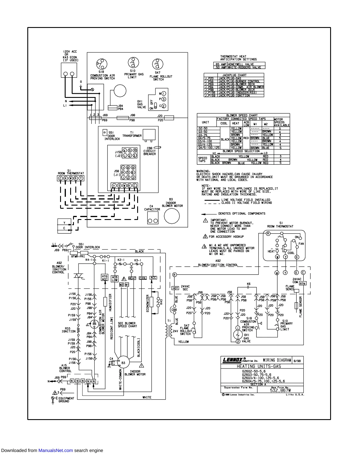
FIGURE 31
TYPICAL G26 WIRING DIAGRAM
OUTDOOR
UNIT
OUTDOOR
UNIT
B6
COMBUSTION
AIR INDUCER
MOTOR
Downloaded from ManualsNet.com search engine

Other manuals for Lennox G26Q2-50

Related product manuals