EasyManua.ls Logo

Lennox MWMA009S4-*L - Page 25

Lennox MWMA009S4-*L
28 pages
Print Icon
To Next Page IconTo Next Page
To Next Page IconTo Next Page
To Previous Page IconTo Previous Page
To Previous Page IconTo Previous Page
Loading...
25
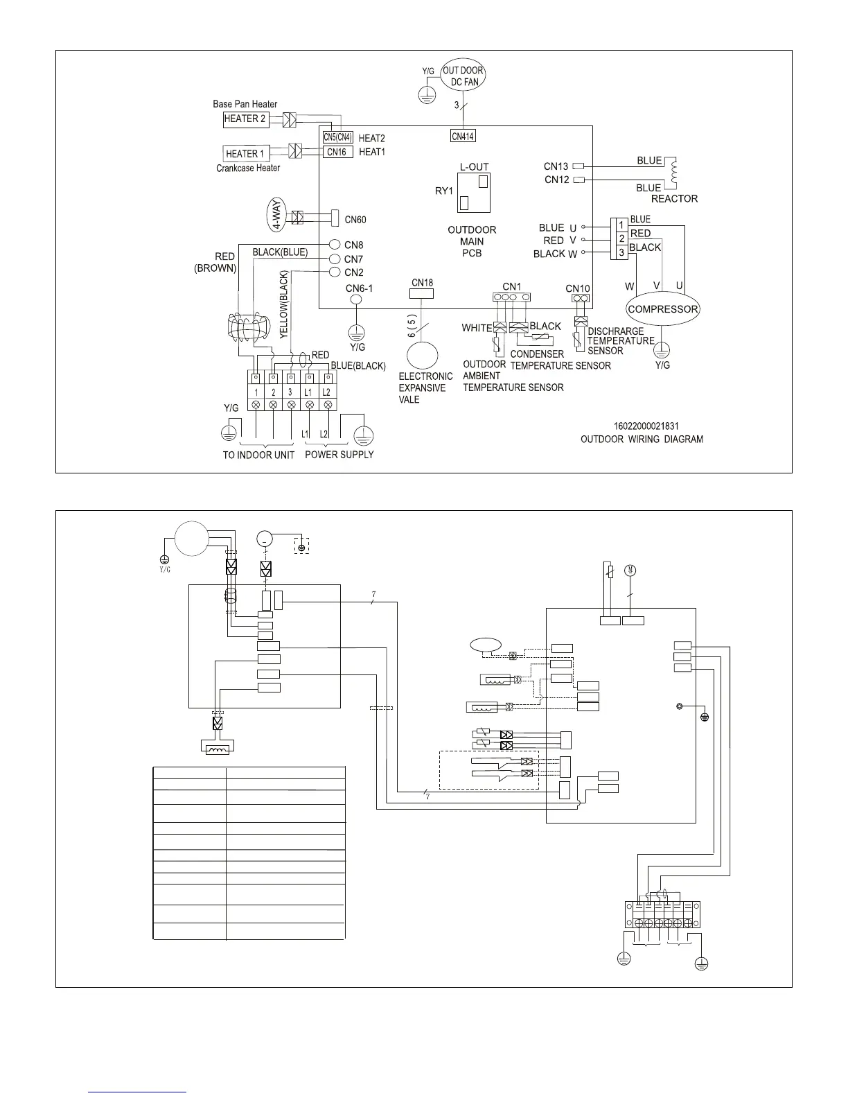
Figure 35. 208/230V MLA009, MLA012 and 018S4S-*P Outdoor Unit Wiring Diagram
MAIN BOARD
U
V
W
Y/G
L
L-PRO
T3
T4
CODE
PART NAME
COMPRESSOR
4-WAY VALVE
COMP
CAP1
EEV
ELECTRIC EXPANSION
VALVE
H-PRO
L-PRO
LOW PRESSURE SWITCH
HIGH PRESSURE SWITCH
T3
T4
CONDENSER
TEMPERATURE SENSOR
OUTDOOR AMBIENT
TEMPERATURE SENSOR
H-PRO
SV
L
PFC INDUCTOR
TS
DISCHARGE
TEMPERATURE SENSOR
RED
BLACK
V
U
CN19
CN51
CN55
W
EEV
BLACK
DRIVER BOARD
RED
YELLOW
BLUE
P-1
FM1
OUTDOOR DC FAN
FAN MOTOR CAPACITOR
CN53
CN20
CN3
CN4
CN10
CN40
CN22
CN44
CN8
CN9
CN7
CN2
CN1
CN5
CN54
CN52
CN33
5(6)
CN6
SV
4-WAY1
BLUE
BLUE
HEAT2
HEAT1
BLACK
RED
BLUE
BLUE
BLUE
YELLOW
RED
BLACK
RED
BLACK
L2
TO INDOOR UNIT
POWER SUPPLY
Y/G
2
L1
1
RED
RED
BLACK
YELLOW
S
BLACK
YELLOW
Crankcase Heater
Base Pan Heater
ONLY FOR
36K ODU
L1
L2
FM1
Y/G
3
3
Y/G
COMP
3
Figure 36. 208/230V MLA024S4S-*P Outdoor Unit Wiring Diagram

Other manuals for Lennox MWMA009S4-*L

Related product manuals