EasyManua.ls Logo

Lennox MWMA012S4-*L - Page 21

Lennox MWMA012S4-*L
28 pages
Print Icon
To Next Page IconTo Next Page
To Next Page IconTo Next Page
To Previous Page IconTo Previous Page
To Previous Page IconTo Previous Page
Loading...
21
BLUE
CN2
BROWN
CN16
CN1
CN26
DC-FAN
CN29
REACTOR
CN9-1
CN32-1
OUTDOOR
COIL TEMP. SENS
OR
CN7
COMPRESSOR
DISCHARGE TEMP. SENSOR
CN27
YELLOW
4-WAY
VALVE
WHITE
COMPRESSOR
BLUE
RED
BLACK
CN28
CN30
WHITE
3
2
L2
RED
BLUE
Y/G
1
Y/G
Y/G
CN3
6
CN31
CN21
CN22
3
PAN
HEATER
CN33
CRANKCASE
HEATER
OUTDOOR TEMP. SENSOR
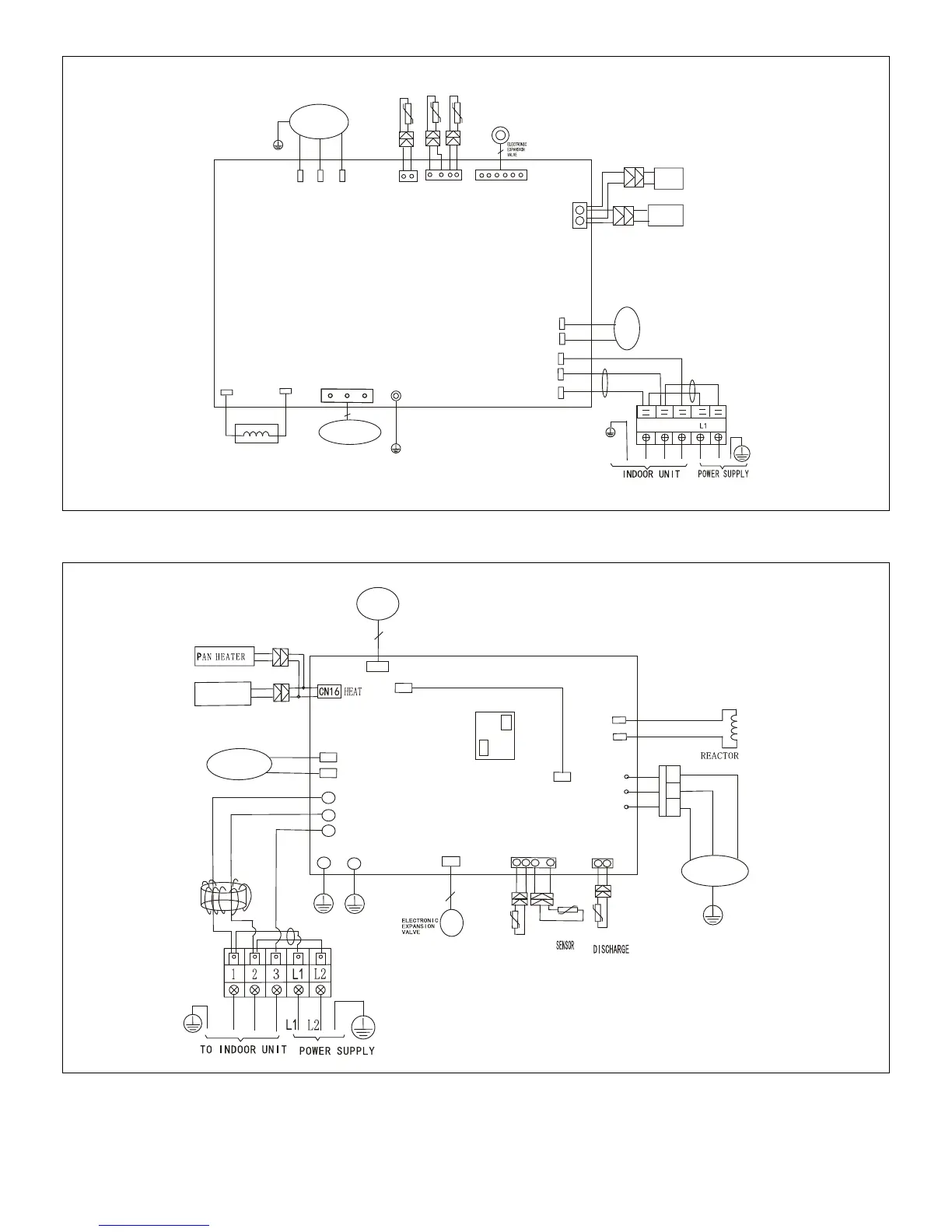
Figure 27. 208/230V MPA009S4S-*P and MPA012S4S-*P Outdoor Unit Wiring Diagram
1
2
3
OUT DOOR
FAN
RED
YELLOW
BLACK
Y/G
U
V
W
RY1
CN6
CN2
CN7
CN8
CN3
CN4
CN10
CN1
COMPRESSOR
Y/G
RED
BLUE
BLACK
O U TD O O R C O IL
TEM P.
OUTDOOR TEMP.SENSOR
WHITE
BLACK
COMPRESSOR
TEMP.SENSOR
6
OUTDOOR
MAIN
PCB
BLUE
BLACK
RED
CN13
CN12
L-OUT
CN18
4-WAY VALVE
CN414
BLUE
BLUE
U
V
W
Y/G
CN6-1
Y/G
RED
BLUE
3
CN14
CN15
CRANKCASE HEATER
Figure 28. 208/230V MPA018S4S-*P Outdoor Unit Wiring Diagram

Other manuals for Lennox MWMA012S4-*L

Related product manuals