EasyManua.ls Logo

Lennox MWMA012S4-*L - Page 73

Lennox MWMA012S4-*L
168 pages
To Next Page IconTo Next Page
To Next Page IconTo Next Page
To Previous Page IconTo Previous Page
To Previous Page IconTo Previous Page
Loading...
73
DC MOTOR
DRIVER MODULE
CN13
CN3
3
CN15
5
M
CN6
T2
T1
4
BLACK
WHITE
INDOOR UNIT MAINBOARD
CN3
RED
CN2
CN1
Y/G
BL ACK
CN41
YELLOW
CN5
WATER LEVEL SWITCH
Reactor
CN8
CN18
RED
RED
This symbol indicates the element is
optional,the actual shape shall prevail.
CN19
BLUE
BLACK
To CCM
Comm.B us
WHITE
X Y
E
Y/G
1
2 3
FILTER-BOARD
BLACK
RED
CN23
ON/OFF
CN33
ALA RM
Alarm
Output
Remote
Control
Ceiling-Floor Type
CN21
CN24
M
M
M
5
5
5
5
SWING
INDOOR COIL TEMP. SENSOR
ROOM TEMP. SENSOR
VSWING(INACTIVE)
FAN
DISPLAY
BOARD
10
CN10A
TO WIRE
CONTROLLER
5
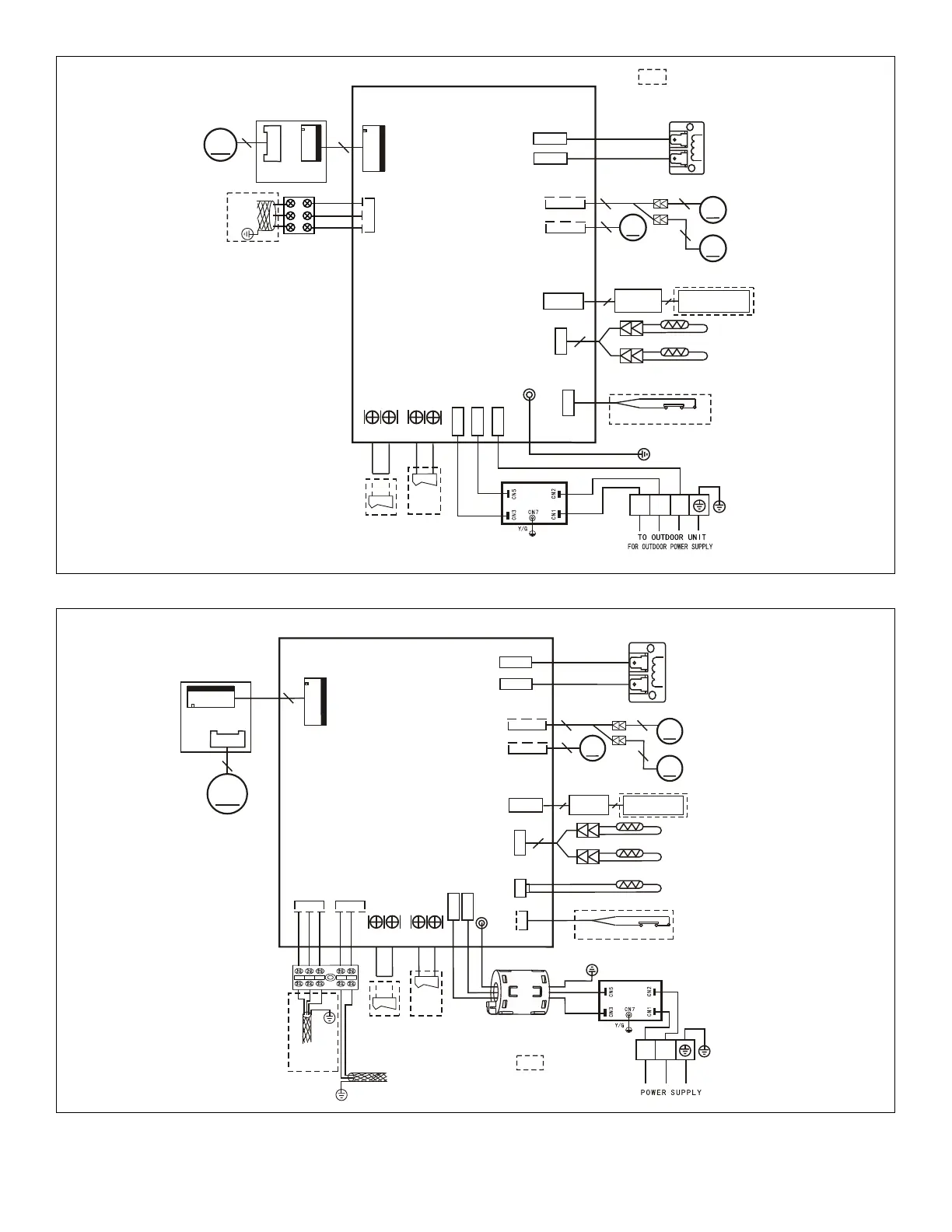
Figure 41. MCFA024S4-1P Unit Wiring Diagram
CN5
Reactor
CN8
CN18
CN7
T2B
OUTER PIPE TEMP. SENSOR
T2
T1
CN6
4
BLACK
WHITE
RED
RED
VSWING(INACTIVE)
CN21
CN24
M
M
M
5
5
5
5
SWING
INDOOR UNIT MAINBOARD
DC MOTOR
DRIVER MODULE
CN13
CN3
M
3
CN15
5
FAN1
Ceiling-Floor Type
CN23
ON/OFF
CN33
ALA RM
Alarm
Output
Remote
Control
CN19 CN16
BLUE
BLACK
YELLOW
GRAY
To CCM
Comm.Bus
To outdoor
Comm.Bus
WHITE
S1
S2
X Y
(
E
)
Y/G
CN3
CN2
CN1
BLACK
RED
Ferrite bead
FILTER-BOARD
L1
L2
RED
BLACK
Y/G
Y/G
Y/G
This symbol indicates the element is
optional,the actual shape shall prevail.
INDOOR COIL TEMP. SENSOR
ROOM TEMP. SENSOR
FAN
WATER LEVEL SWITCH
DISPLAY
BOAR D
10
CN10A
TO WIRE
CONTROLLE R
5
V1.0
2015/5/08
Figure 42. MCFA036S4-1P Unit Wiring Diagram

Table of Contents

Other manuals for Lennox MWMA012S4-*L

Related product manuals