EasyManua.ls Logo

Lennox MWMA018S4-*P - Page 71

Lennox MWMA018S4-*P
168 pages
Print Icon
To Next Page IconTo Next Page
To Next Page IconTo Next Page
To Previous Page IconTo Previous Page
To Previous Page IconTo Previous Page
Loading...
71
T2
T1
CN6
4
INDOOR COIL TEMP. SENSOR
ROOM TEMP. SENSOR
BLACK
WHITE
INDOOR UNIT
MAINBOARD
CN23
ON/OFF
Remote
Control
CN33
ALARM
Alarm
Output
RED
CN2
CN1
BLACK
TO OUTDOOR UNIT
1
2
Y/G
3
CN41
YELLOW
Reactor
CN8
CN18
RED
RED
DISPLAY
BOARD
TO WIRE
CONTROLLER
10
CN10
5
CN13
M
PUMP
2
Y/G
CN3
CN9
E Y X
To CCM
Comm.Bus
DC MOTOR
DRIVER MODULE
CN13
CN3
3
CN15
5
M
CN5
WATER LEVEL SWITCH
FILTER-BOARD
CN 1
CN 2
CN 7
Y/G
CN 5
CN 3
RED
BLACK
FAN
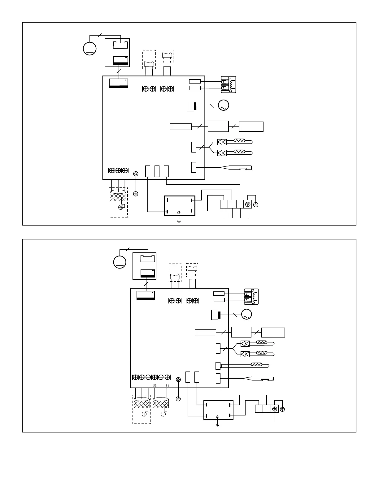
Figure 37. MMDA024S4-1P Ducted Units Wiring Diagram
T2
T1
CN6
4
BLACK
WHITE
INDOOR UNIT
MAINBOARD
CN23
ON/OFF
Remote
Control
CN33
ALARM
Alarm
Output
Reactor
CN8
CN18
RED
RED
DISPLAY
BOARD
TO WIRE
CONTROLLER
10
CN10
5
CN13
M
PUMP
2
T2B
INDOOR COIL OUTLET TEMP. SENSOR
CN7
CN9
E Y X Q E P
To outdoor
Comm.Bus
To CCM
Comm.Bus
S2 S 1
DC MOTOR
DRIVER MODULE
CN13
CN3
3
CN15
5
M
RED
CN2
CN1
BLACK
POWER SUPPLY
L1
L2
Y/G
Y/G
CN3
FILTER-BOARD
CN 1
CN 2
CN 7
Y/G
CN 5
CN 3
RED
BLACK
CN5
WATER LEVEL SWITCH
INDOOR COIL TEMP. SENSOR
ROOM TEMP. SENSOR
FAN
Figure 38. MMDA036S4-1P & MMDA048SA-1P Ducted Units Wiring Diagram

Table of Contents

Other manuals for Lennox MWMA018S4-*P

Related product manuals