EasyManua.ls Logo

Lennox MWMB030S4-*P - Double-Check Pipe Connections

Lennox MWMB030S4-*P
28 pages
Print Icon
To Next Page IconTo Next Page
To Next Page IconTo Next Page
To Previous Page IconTo Previous Page
To Previous Page IconTo Previous Page
Loading...
24
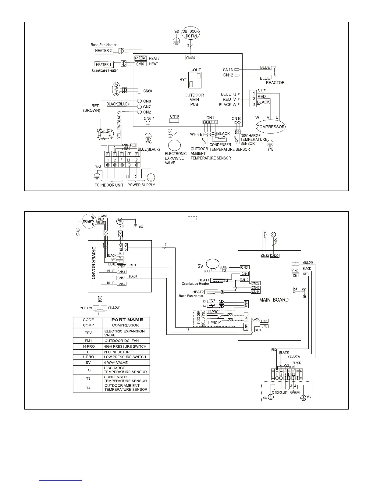
Figure 33. 208/230V MPB018S4S-*P and MPB024S4S-*P Outdoor Unit Wiring Diagram
EXV
4-WAY
VALVE
TS
••••
COMPONENT IN DASH
LINE IS OPTIONAL
OR FIELD WIRING.
Figure 34. 208/230V MPB030S4S-*P, Outdoor Unit Wiring Diagram

Other manuals for Lennox MWMB030S4-*P

Related product manuals