EasyManua.ls Logo

Lennox MWMB030S4-*P - Page 65

Lennox MWMB030S4-*P
168 pages
Print Icon
To Next Page IconTo Next Page
To Next Page IconTo Next Page
To Previous Page IconTo Previous Page
To Previous Page IconTo Previous Page
Loading...
65
HEAT1
SV
HEAT2
WHITE
WHITE
6
BLACK
BLUE
BROWN
BLACK
RED
L2
BROWN
BROWN
BLUE
BLUE
BLACK
BLACK
1(A)
3(A)
2(A)
1(B)
3(B)
2(B)
1(C)
2(C)
3(C)
3
3
6
6
CRANKCASE
HEATER
PAN
HEATER
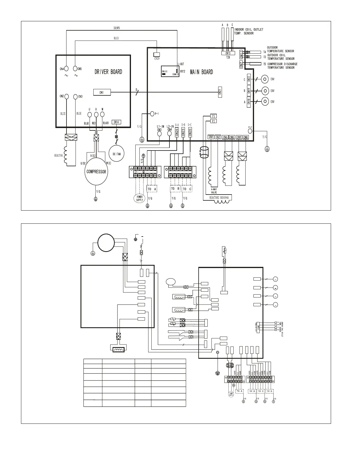
Figure 26. MPB030S4M-*P Outdoor Unit Wiring Diagram
CO MP
FM 1
MAIN B OA RD
RED
B L A CK
U
V
W
Y/G
Y/G
L
L-PRO
T3
T4
H-PRO
Y/G
TP
V
U
CN19
CN51
CN55
W
EXV
BLACK
DRIVER BOARD
RED
7
7
YELLOW
BLUE
P-1
CN53
CN3
CN4
CN10
CN40
CN22
CN44
C N8
C N9
CN7
C N2
C N1
CN5
CN54
CN52
CN33
CN6
SV
4-WAY
VALVE
BLUE
BLUE
HEAT_2
HEAT_1
BLACK
RED
BLUE
BLUE
BLUE
YELLOW
RED
BLACK
RED
BLACK
CN20
M
6
A
CN21
M
6
B
CN17
M
6
C
CN18
M
6
D
CN30
C N2 9
C N2 8
C N2
7
CODE PART NAME
COMPRESSOR
HEAT _2
4-W AY VALVE
COMP
EXV
ELECTRIC EXPANSIO N
VALV E
H-PRO
L-PRO
LOW PRE SSURE SWIT CH
HIGH PRESSURE SWIT CH
T3
T4
OUTDOOR COIL
TEMPERATU RE SENSOR
OUTDOOR
TEMPERAT URE SENSOR
PAN HEAT ER
SV
L
PFC INDUCTOR
T2B
INDOOR COIL OUTLET
TEMPERAT URE SENSOR
TP
COMPRESSOR D ISCHARGE
TEMPERAT URE SENSOR
FM1
OUTDOOR DC FAN
PART NAMECODE
BLUE
BLUE
RDE
BLACK
BLACK
RDE
EXV
EXV
EXV
HEAT _1
CRANKCAS E HEAT ER
Figure 27. MPB036S4M-*P Outdoor Unit Wiring Diagram

Table of Contents

Other manuals for Lennox MWMB030S4-*P

Related product manuals