EasyManua.ls Logo

Lennox MWMC024S4-2P - 208;230 V MPC030 S4 S-*P Outdoor Unit Wiring Diagram; 208;230 V MLB009 S4 S-*P and MLB012 S4 S-*P Outdoor Unit Wiring Diagram

Lennox MWMC024S4-2P
32 pages
Print Icon
To Next Page IconTo Next Page
To Next Page IconTo Next Page
To Previous Page IconTo Previous Page
To Previous Page IconTo Previous Page
Loading...
26
T5
T5
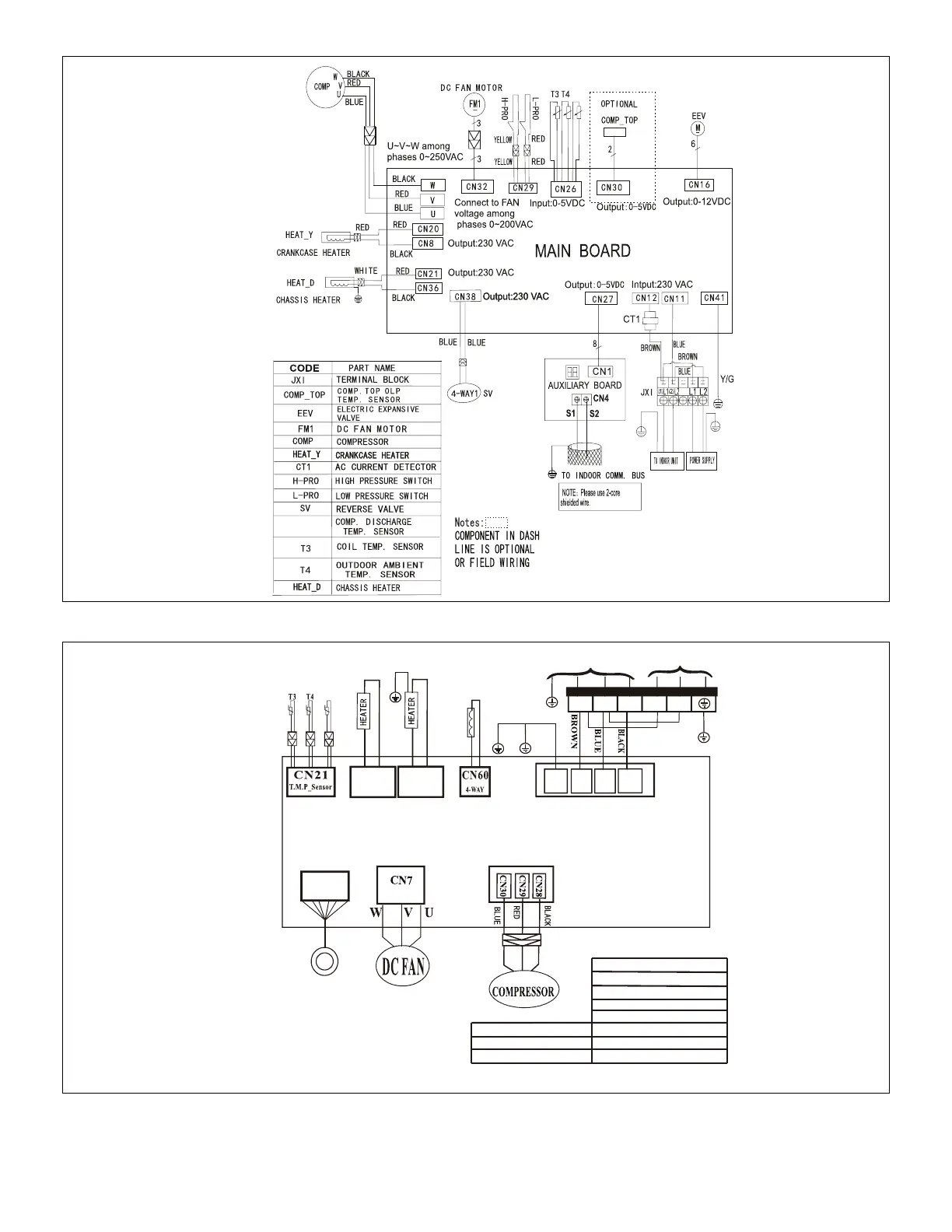
Figure 39. 208/230V MPC030S4S-*P Outdoor Unit Wiring Diagram
CN31 OUTPUT 0~12VDC
EEV
1 23L1 L2
INDOOR UNIT
POWERSUPPLY
RED
BLUE
CN3 CN2
CN1
CN16
CN15
PA N
HEATER
CN17
CRANKCAS E
HEATER
V
U
W
Y
/
G
Y
/
G
CN1A INPUT230VAC
CN7OUTPUT0~310VAC
CN60 OUTPUT 230V AC
CN21 OUTPUT 0~5V DC
CN15 OUTPUT 230V AC
CN17 OUTPUT 230V AC
CN50 OUTPUT 0~310V AC
EARTHN-INL-IN S
CN1A
CN50
MAIN BOARD
WIRING DIAGRAM
D
i
s
c
h
a
r
g
e
T
E
M
P
.
S
e
n
s
o
r
A
m
b
i
e
n
t
T
E
M
P
.
S
e
n
s
o
r
C
o
n
d
e
n
s
e
r
T
E
M
P
.
S
e
n
s
o
r
T3
T4
DC FA N
Y
/
G
CN31
EEV
Y
/
G
T5
T5
Figure 40. 208/230V MLB009S4S-*P and MLB012S4S-*P Outdoor Unit Wiring Diagram

Related product manuals