EasyManua.ls Logo

Lennox RGEN17

Lennox RGEN17
36 pages
To Next Page IconTo Next Page
To Next Page IconTo Next Page
To Previous Page IconTo Previous Page
To Previous Page IconTo Previous Page
Loading...
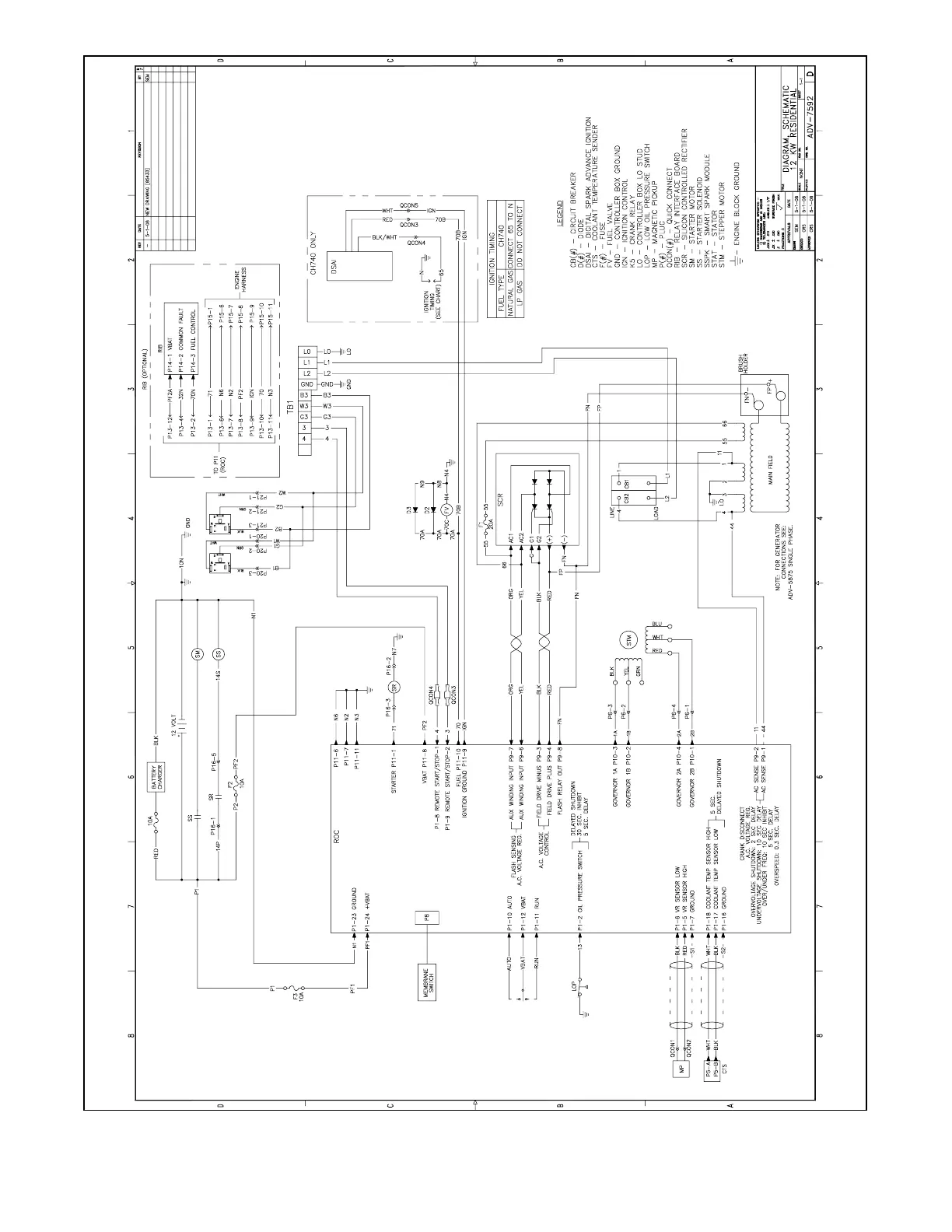
XP-6514 4/09 33Section 2 Wiring Diagrams
-
Figure 2-2 Schematic Diagram, Single Phase, RGEN12, ADV-7592

Other manuals for Lennox RGEN17

Related product manuals