EasyManua.ls Logo

Lennox RGEN17

Lennox RGEN17
36 pages
To Previous Page IconTo Previous Page
To Previous Page IconTo Previous Page
Loading...
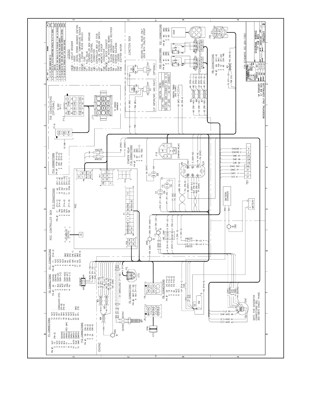
XP-6514 4/0936 Section 2 Wiring Diagrams
Figure 2-5 Point-to-Point Wiring Diagram, Single Phase, RGEN17/18, GM52541-E

Other manuals for Lennox RGEN17

Related product manuals