EasyManua.ls Logo

Lenz Digital plus LE1835A - Page 3

Lenz Digital plus LE1835A
Print Icon
To Next Page IconTo Next Page
To Next Page IconTo Next Page
To Previous Page IconTo Previous Page
To Previous Page IconTo Previous Page
Loading...
3
D
E
F
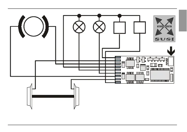
Motor
AC
D
B
F
F
Orange
Grün
Green
Vert
Violett
Purple
Anschluß des
LE1835A
Wiring the
Montage du décodeur
Grau
Grey
Gris
Rot
Red
Rouge
Schwarz
Black
Noir
We
White
Blanc
Gelb
Yellow
Jaune
Blau
Blue
Bleu
Interface
Abb. 1

Related product manuals