EasyManua.ls Logo

Lenz Digital plus LR101 - Page 32

Lenz Digital plus LR101
Print Icon
To Next Page IconTo Next Page
To Next Page IconTo Next Page
To Previous Page IconTo Previous Page
To Previous Page IconTo Previous Page
Loading...
32 Information LR101
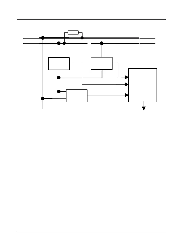
Gleise der Modellbahn
Belegtmelder
LB100 /
LB101
Spannungs-
melder
Stromverbraucher
Gleisspannung
Rückmelder
LR101
Meldeausgang zur LZ100/LZV100
Melde-
ausgang
8 Eingänge für
Belegtmelder
1 Eingang für
Spannungsmelder
Melde-
ausgang
LB050
Melde-
ausgang
Belegtmelder
LB100 /
LB101
Figure 1: Blockschaltbild zum Digital plus Rückmeldeverfahren
Le module de rétrosignalisation LR101 exploite non seulement les informations
provenant du LB100/LB101, mais aussi celles émanant d'un ou de plusieurs
détecteurs de tension LB050. De la sorte, si le LR101 constate une chute de
tension sur la voie, le dernier état avertisseur est alors "gelé".
Exemple :
Sur une section de voie se trouve une locomotive, c.-à-d. un appareil
consommateur de courant. Puisque le courant circule, le LB100/LB101 transmet
au LR101 l'information "occupé". Si la tension appliquée à la voie chute
soudainement pour une quelconque raison, aucun courant ne circule donc plus.
Le LB100/LB101 transmet donc l'information "voie libre" bien qu'elle ne reflète
pas la réalité. Mais le module de rétrosignalisation LR101 se rend compte, grâce
au détecteur de tension LB050, qu'aucune tension n'est présente sur la voie. Il
"sait" donc qu'aucune information "libre" ne peut être envoyée à la centrale par le
LB100/LB101.
Grâce à ces informations émises conjointement, on évite que la centrale n'envoie
une annonce erronée de "voie libre" en cas de chute de tension ou de court-
circuit.

Related product manuals