EasyManua.ls Logo

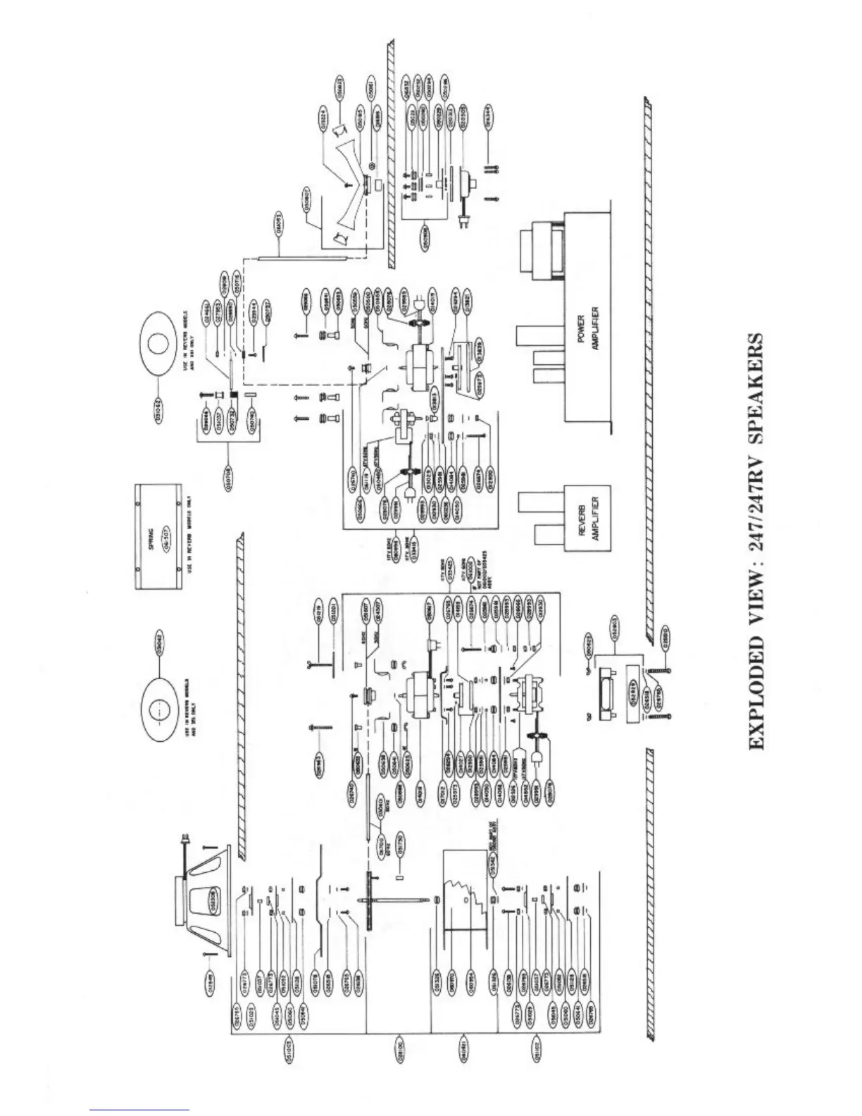
Leslie 145 - Exploded View: 247;247 RV Speakers

Default Icon
29 pages
Print Icon
To Next Page IconTo Next Page
To Next Page IconTo Next Page
To Previous Page IconTo Previous Page
To Previous Page IconTo Previous Page
Loading...

Related product manuals