EasyManua.ls Logo

Lewmar V5 - Page 14

Lewmar V5
40 pages
Print Icon
To Next Page IconTo Next Page
To Next Page IconTo Next Page
To Previous Page IconTo Previous Page
To Previous Page IconTo Previous Page
Loading...
14
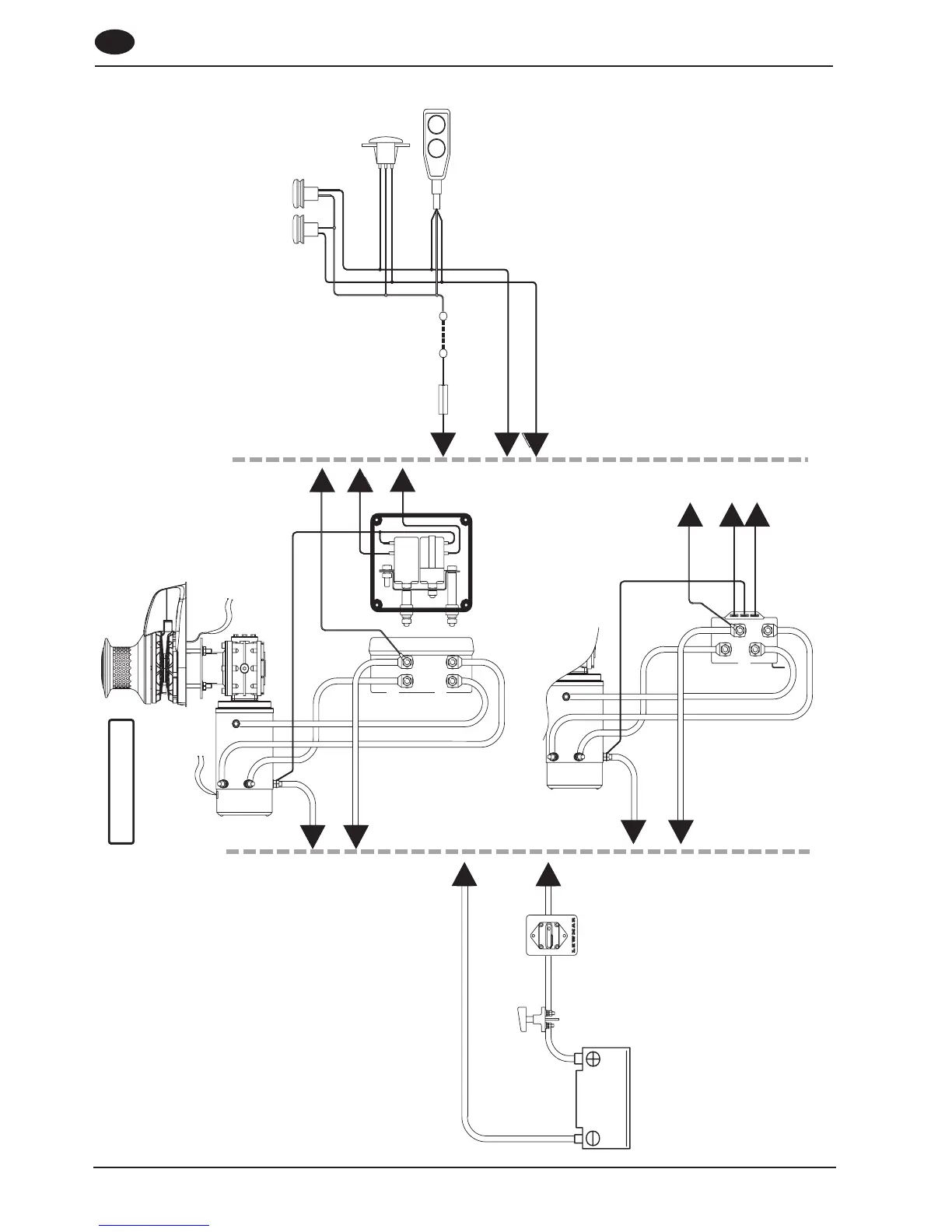
Circuit Breaker
Battery
Isolator
Battery
12/24 VDC
Electric Deck
Switches
Rocker
Switches
Electric Remote
Control
Thermal
Switch
Fuse
3 A
4
5
4
5
4
5
1
2
3
1
2
3
UP
DOWN
UP
DOWN
Control Box
Contactor
1
2
3
V4
2
1
−V
BATT +VE
MOTOR
F2
MOTOR
F1
F2
A1
A2
A
F1
BATT +VE
MOTOR
F2
MOTOR
F1
A
F2
A1
A2
F1
Reed Switch Sensor
for Chain Counter
(If tted)
Thermal
Switch
(IF tted)
GB

Other manuals for Lewmar V5

Related product manuals