EasyManua.ls Logo

Lewmar V5 - Page 15

Lewmar V5
40 pages
Print Icon
To Next Page IconTo Next Page
To Next Page IconTo Next Page
To Previous Page IconTo Previous Page
To Previous Page IconTo Previous Page
Loading...
Lewmar V1-6 Windlass ref 65001201 iss.8 | 15
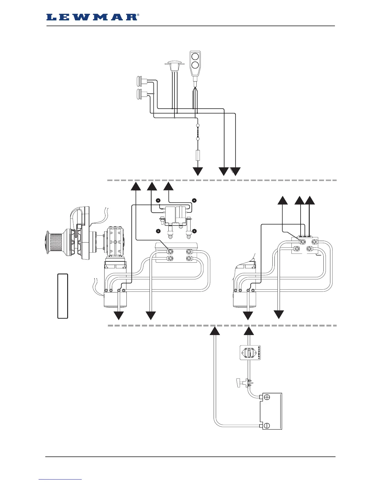
Circuit Breaker
Battery
Isolator
Battery
12/24 VDC
Electric Deck
Switches
Rocker
Switches
Electric Remote
Control
Fuse
3 A
4
5
UP
DOWN
UP
DOWN
1
2
3
1
2
3
4
5
Control Box
Contactor
1
2
3
V6
2
1
−V
BATT +VE
MOTOR
D2
MOTOR
D1
D1
D2
A1
A
A2
BAT T
+VE
MOTOR
F2
MOTOR
F1
A
D1
D2
A1
A2
Reed Switch Sensor
for Chain Counter
(If tted)
Thermal
Switch
(IF tted)
4
5
Thermal
Switch

Other manuals for Lewmar V5

Related product manuals