EasyManua.ls Logo

LEYBOLD LV 80 - Page 36

Default Icon
62 pages
Print Icon
To Next Page IconTo Next Page
To Next Page IconTo Next Page
To Previous Page IconTo Previous Page
To Previous Page IconTo Previous Page
Loading...
Installation
36
300407956_002_C1 - 01/2017 - © Leybold
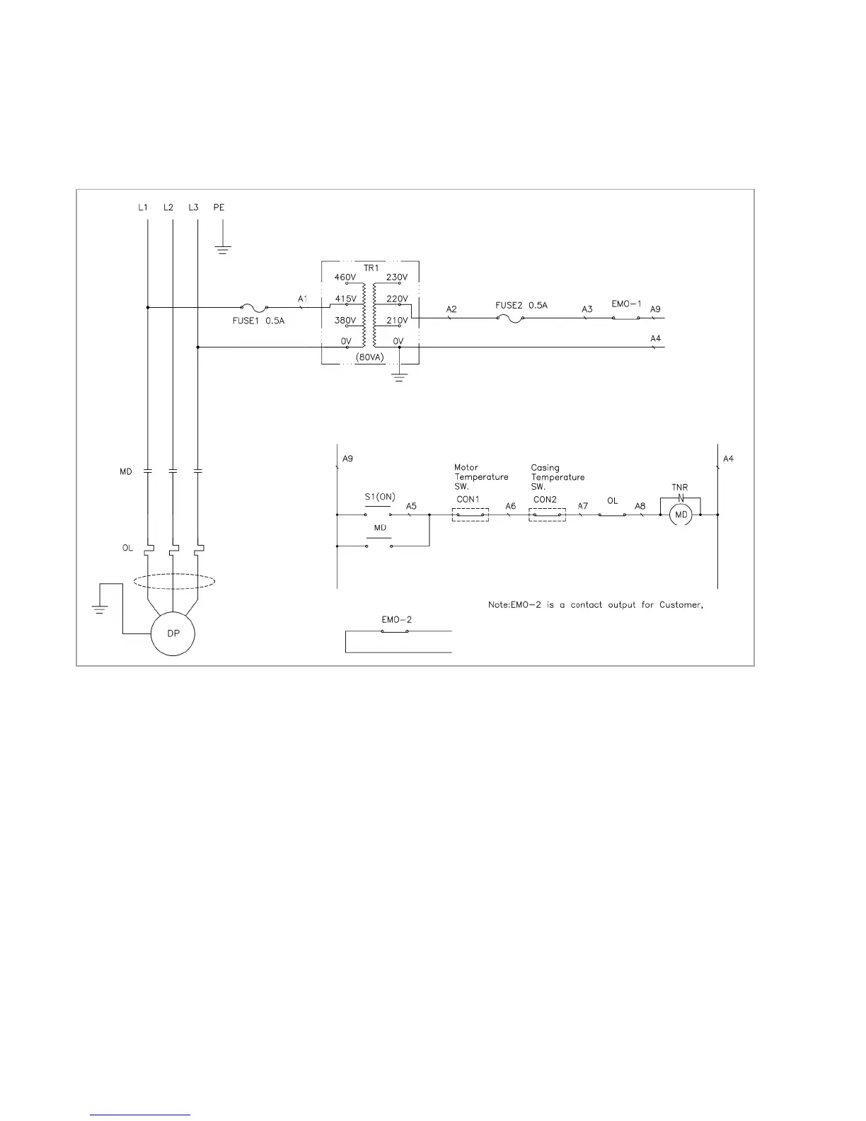
Fig. 3.7 Main and Control Circuit Wiring (CC versions only)
* For pump operation in 460 V / 60 Hz nets the input connection of Transformer (A1) has to
be changed by trained staff from 415 V to 460 V. Output connection of Transformer (A2) stays
unchanged.
*

Related product manuals