EasyManua.ls Logo

LG 14FU7RB - Audio and CPT Drive Troubleshooting; Sound Processing Troubleshooting; CPT Drive Section Issues

LG 14FU7RB
20 pages
Print Icon
To Next Page IconTo Next Page
To Next Page IconTo Next Page
To Previous Page IconTo Previous Page
To Previous Page IconTo Previous Page
Loading...
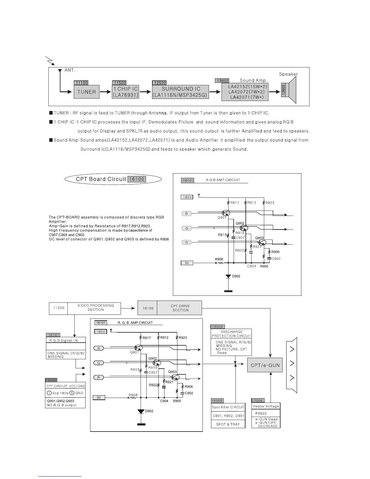
8. SOUND PROCESSING SECTION
- 14 -
9. CPT DRIVE SECTION
Copyright©2010 LG Electronics.Inc. All right reserved.
Only for training and service purposes.
LGE Internal Use Only

Related product manuals