EasyManua.ls Logo

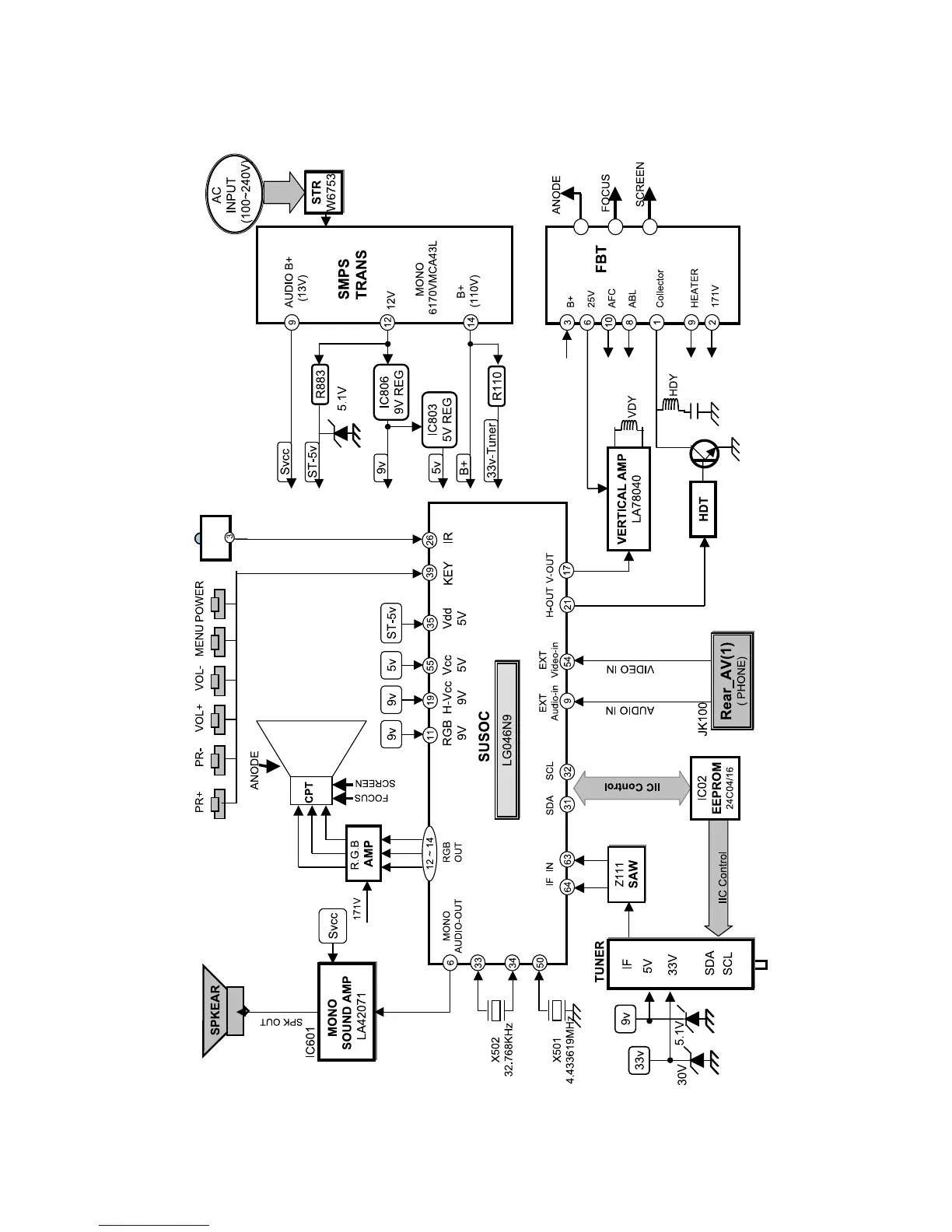
LG 14FU7RB - BLOCK DIAGRAM; SMPS Transconnections; SUSOC Processing Unit; Tuner and IF Signal Flow

LG 14FU7RB
20 pages
Print Icon
To Next Page IconTo Next Page
To Next Page IconTo Next Page
To Previous Page IconTo Previous Page
To Previous Page IconTo Previous Page
Loading...
- 15 -
BLOCK DIAGRAM
Copyright©2010 LG Electronics.Inc. All right reserved.
Only for training and service purposes.
LGE Internal Use Only

Related product manuals