THERMAL
THE SYMBOL MARK OF THIS SCHEMETIC DIAGRAM INCORPORATES
SPECIAL FEATURES IMPORTANT FOR PROTECTION FROM X-RADIATION.
FIRE AND ELECTRICAL SHOCK HAZARDS, WHEN SERVICING IF IS
ESSENTIAL THAT ONLY MANUFACTURES SPECIFIED PARTS BE USED FOR
THE CRITICAL COMPONENTS IN THE SYMBOL MARK OF THE SCHEMETIC.
2013/05/23
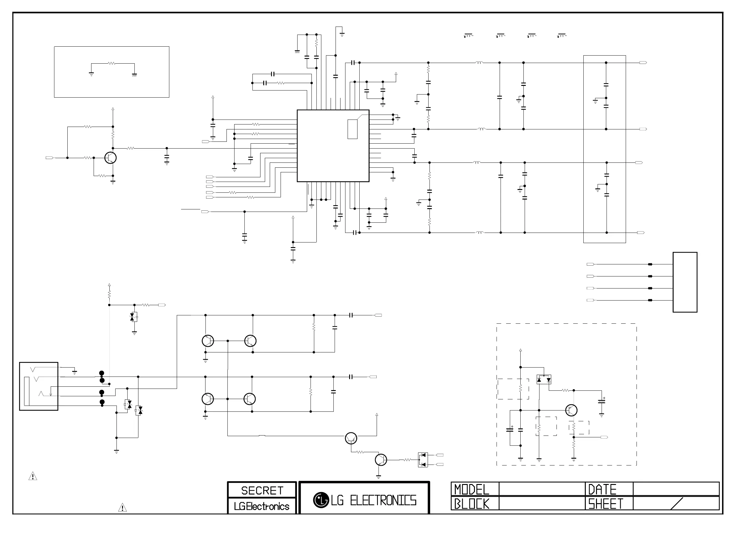
AMP_TAS5733/HP
34
MA55
SPK_L+
SPK_R-
P3401
WAFER-ANGLE
1
2
3
4
SPK_L-
SPK_R+
D3400
MMBD6100
OPT
A2
C
A1
R3400
47K
Head Phone
Q3404
MMBT3904(NXP)
OPT
E
B
C
C3406
10uF
10V
Head Phone
Q3405
MMBT3906(NXP)
OPT
E
B
C
SB_MUTE
Q3406
MMBT3904(NXP)
OPT
E
B
C
JP3407
Q3403
MMBT3904(NXP)
OPT
E
B
C
R3412
1K
Head Phone
C3405
10uF
10V
Head Phone
R3414
1K
Head Phone
R3415
1K
Head Phone
HP_ROUT
Q3400
MMBT3904(NXP)
OPT
E
B
C
+3.3V_Normal
C3400
1000pF
50V
OPT
VA3402
20V
HP_LOUT
HP_DET
JP3406
+3.3V_ST
HP_MUTE
VA3400
20V
JP3400
VA3401
20V
OPT
Q3402
MMBT3904(NXP)
OPT
E
B
C
JP3405
R3416
3.3K
OPT
R3417
10K
OPT
C3402
1000pF
50V
OPT
C3471
330pF
50V
C3455
4700pF
50V
AMP_SCL
C3483
2200pF
50V
OPT
C3452
0.1uF
16V
C3468
0.033uF
50V
R3458
470
C3450
1000pF
50V
AUD_LRCK
C3479
0.1uF
50V
C3465
0.1uF
50V
AUD_LRCH
R3455
100
C3462
0.033uF
50V
C3454
0.047uF
25V
C3464
0.1uF
50V
C3478
0.1uF
50V
C3482
2200pF
50V
OPT
R3462
18
1/16W
C3474
0.47uF
50V
C3470
330pF
50V
AMP_RESET
+19V
AUD_SCK
IC3450
TAS5733
1
OUT_A
2
PVDD_AB_1
3
PVDD_AB_2
4
BST_A
5
NC_1
6
SSTIMER
7
NC_2
8
PBTL
9
AVSS
10
PLL_FLTM
11
PLL_FLTP
12
VR_ANA
13
AVDD
14
A_SEL_FAULT
15
MCLK
16
OSC_RES
17
DVSSO
18
VR_DIG
19
PDN
20
LRCLK
21
SCLK
22
SDIN
23
SDA
24
SCL
25
RESET
26
STEST
27
DVDD
28
DVSS
29
GND
30
AGND
31
VREG
32
GVDD_OUT
33
BST_D
34
PVDD_CD_1
35
PVDD_CD_2
36
OUT_D
37
PGND_CD_1
38
PGND_CD_2
39
OUT_C
40
NC_3
41
NC_4
42
BST_C
43
BST_B
44
NC_5
45
NC_6
46
OUT_B
47
PGND_AB_1
48
PGND_AB_2
49
[EP]
R3461
18
SPK_L-
SPK_R+
AUD_MASTER_CLK
C3477
0.1uF
50V
C3458
0.047uF
25V
C3472
330pF
50V
C3457
4700pF
50V
C3459 2200pF
50V
R3460
18
C3473
330pF
50V
+19V
C3475
0.47uF
50V
C3463
0.033uF
50V
R3456
18K
1%
C3461
1uF
25V
C3469
0.033uF
50V
R3453
0
+3.3V_Normal
SPK_L+
+3.3V_Normal
C3456
0.1uF
16V
C3453
0.1uF
16V
C3451
0.1uF
16V
C3480
2200pF
50V
OPT
C3476
0.1uF
50V
SPK_R-
AMP_SDA
R3463
18
1/16W
C3481
2200pF
50V
OPT
C3460
0.1uF
16V
R3459
470
R3451
10K
R3454
10K
+3.3V_ST
Q3450
MMBT3904(NXP)
E
B
C
R3450
10K
OPT
AMP_MUTE
R3452
10K
OPT
R3457 2K
R3464
0 R3465
0
L3450
COIL_ABCO
10uH
L3452
COIL_ABCO
10uH
L3451
COIL_ABCO
10uH
L3453
COIL_ABCO
10uH
L3453-*1
10.0uH
COIL_GETPLUS
L3451-*1
10.0uH
COIL_GETPLUS
L3452-*1
10.0uH
COIL_GETPLUS
L3450-*1
10.0uH
COIL_GETPLUS
C3466
10uF
25V
C3467
10uF
25V
R3422
12K
OPT
R3421
12K
OPT
C3429
4.7uF
50V
85C
OPT
D3401
KDS226
OPT
A
AC
C
R3419
220K
OPT
+19V
R3420
470
OPT
SB_MUTE
Q3407
MMBT3906(NXP)
OPT
E
B
C
C3428
47uF
25V
105C
OPT
R3418
47K
OPT
C3410
10uF
25V
OPT
JK3400
KJA-PH-1-0177-2
Head Phone
3 M3_DETECT
4 M4
5 M5_GND
1 M1
6 M6
MUTE control
Headphone block
AUDIO AMP(TI)
Separate DGND AND AVSS
SPEAKER_L
This parts are Located
on AVSS area.
Close to Speaker
SPEAKER_R
Dip Detection Circuit
3K:
With SCART MUTE BLOCK
12K:
Without SCART MUTE BLOCK
11.10.27
Apply->OPT
Copyright ⓒ 2014 LG Electronics. Inc. All right reserved.
Only for training and service purposes