EasyManua.ls Logo

LG 32LC56-ZC - Block Diagram

LG 32LC56-ZC
44 pages
To Next Page IconTo Next Page
To Next Page IconTo Next Page
To Previous Page IconTo Previous Page
To Previous Page IconTo Previous Page
Loading...
- 22 -
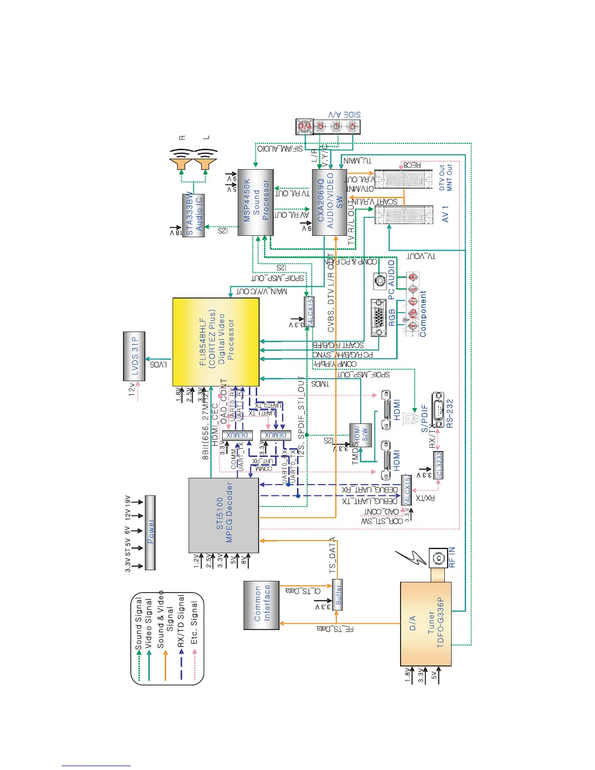
BLOCK DIAGRAM
Synthesis

Related product manuals