EasyManua.ls Logo

LG 32LC56 - Diagrams and Views; Block Diagram

LG 32LC56
44 pages
Print Icon
To Next Page IconTo Next Page
To Next Page IconTo Next Page
To Previous Page IconTo Previous Page
To Previous Page IconTo Previous Page
Loading...
- 22 -
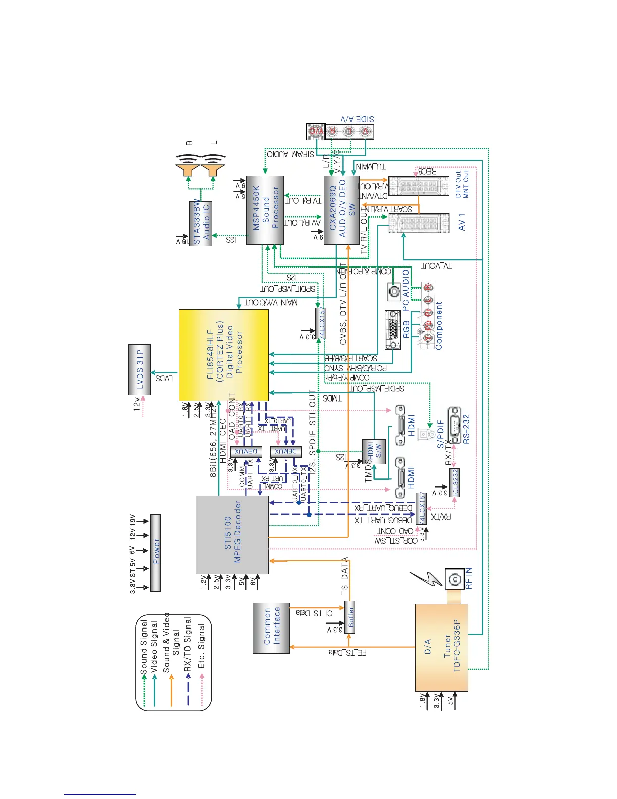
BLOCK DIAGRAM
Synthesis

Related product manuals