EasyManua.ls Logo

LG 42LD460 - Page 40

LG 42LD460
41 pages
Print Icon
To Next Page IconTo Next Page
To Next Page IconTo Next Page
To Previous Page IconTo Previous Page
To Previous Page IconTo Previous Page
Loading...
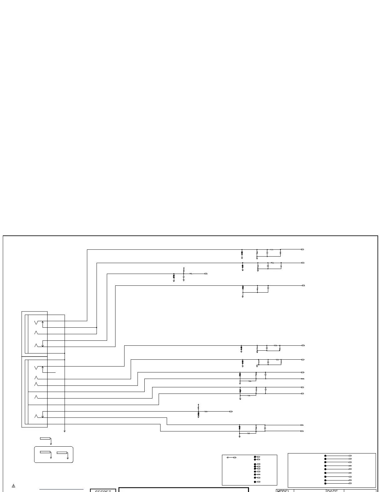
THE SYMBOL MARK OF THIS SCHEMETIC DIAGRAM INCORPORATES
SPECIAL FEATURES IMPORTANT FOR PROTECTION FROM X-RADIATION.
FILRE AND ELECTRICAL SHOCK HAZARDS, WHEN SERVICING IF IS
ESSENTIAL THAT ONLY MANUFATURES SPECFIED PARTS BE USED FOR
THE CRITICAL COMPONENTS IN THE SYMBOL MARK OF THE SCHEMETIC.
US_REAR_COMP_AV_SMALL
SIGN4269
SIGN4270
SIGN4272
SIGN4271
C9800
100pF
50V
OPT
D9806
5.6V
R9806
0
D9802
30V
R9804
0
D9808
5.6V
D9800
5.6V
D9801
5.6V
R9800
10K
R9813
470K
R9802
10K
R9817
10K
C9803
10pF
50V
OPT
R9814
470K
R9810
470K
AV_CVBS_DET
R9816
10K
C9808
1000pF
50V
D9805
5.6V
C9801
10pF
50V
OPT
+3.3V_Normal
R9815
10K
R9818
10K
AV_CVBS_IN
D9804
30V
R9819
12K
+3.3V_Normal
R9807
75
AV_R_IN
R9821
12K
C9806
1000pF
50V
D9803
30V
AV_L_IN
R9822
12K
COMP2_DET
R9812
75
C9802
10pF
50V
OPT
C9804
1000pF
50V
C9805
1000pF
50V
R9801
1K
R9820
12K
R9811
470K
D9807
5.6V
R9809
75
D9809
30V
R9808
75
R9803
1K
R9805
0
C9807
10pF
50V
OPT
SCART1_MUTE
TP9809
TP9803
TP9801
TP9802
SC1_CVBS_IN
TP9808
SC_RE2
SCART1_Rout
SC1_SOG_IN
SC1_ID
TP9807
TP9804
TP9806
SC_RE1
DTV/MNT_VOUT
SCART1_Lout
SC1_FB
TP9805
JK9800
PPJ238-01
5D
[GN2]O-SPRING
6D
[GN2]E-LUG
4D
[GN2]CONTACT
7E
[BL2]E-LUG-S
5E
[BL2]O-SPRING
7F
[RD2]E-LUG-S
5F
[RD2]O-SPRING_1
5G
[WH2]O-SPRING
4H
[RD2]CONTACT
5H
[RD2]O-SPRING_2
6H
[RD2]E-LUG
6A
[YL1]E-LUG
5A
[YL1]O-SPRING
4A
[YL1]CONTACT
5B
[WH1]O-SPRING
4C
[RD1]CONTACT
5C
[RD1]O-SPRING
6C
[RD1]E-LUG
SC1_G-/COMP1_Y-
SC1_G+/COMP1_Y+
SC1_R+/COMP1_Pr+
SC1_B-/COMP1_Pb-
SC1_R-/COMP1_Pr-
SC1_B+/COMP1_Pb+
SC1/COMP1_L_IN
SC1/COMP1_R_IN
TP9810
TP9811
TP9812
TP9813
TP9814
TP9815
TP9816
TP9817
TP9818
SC1/COMP1_DET
COMP2_Y+
COMP2_Pb-
COMP2_R_IN
COMP2_Pb+
COMP2_L_IN
COMP2_Y-
COMP2_Pr+
COMP2_Pr-
MDS62110204
GAS3
OPT
MDS62110204
GAS2
OPT
MDS62110204
GAS1
OPT
GP2_Saturn7M Ver. 1.0
SCART OPTION BLOCK
98
SMALL_US_KR_EM_JACK PACK_HONGSU_090818
Component2 OPTION BLOCK
PLACE UNDER TUNER
Copyright © 2010 LG Electronics. Inc. All rights reserved.
Only for training and service purposes
LGE Internal Use Only

Other manuals for LG 42LD460

Related product manuals