EasyManua.ls Logo

LG ARUN040lSS0 - Page 103

LG ARUN040lSS0
148 pages
Print Icon
To Next Page IconTo Next Page
To Next Page IconTo Next Page
To Previous Page IconTo Previous Page
To Previous Page IconTo Previous Page
Loading...
MULTI V S Outdoor Unit
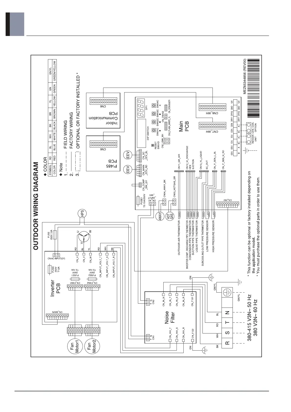
10. Wiring Diagrams
98
Product Data
10.6 10 / 12 HP(3Ø)

Other manuals for LG ARUN040lSS0

Related product manuals