EasyManua.ls Logo

LG ARUN040lSS0 - Page 89

LG ARUN040lSS0
148 pages
Print Icon
To Next Page IconTo Next Page
To Next Page IconTo Next Page
To Previous Page IconTo Previous Page
To Previous Page IconTo Previous Page
Loading...
MULTI V S Outdoor Unit
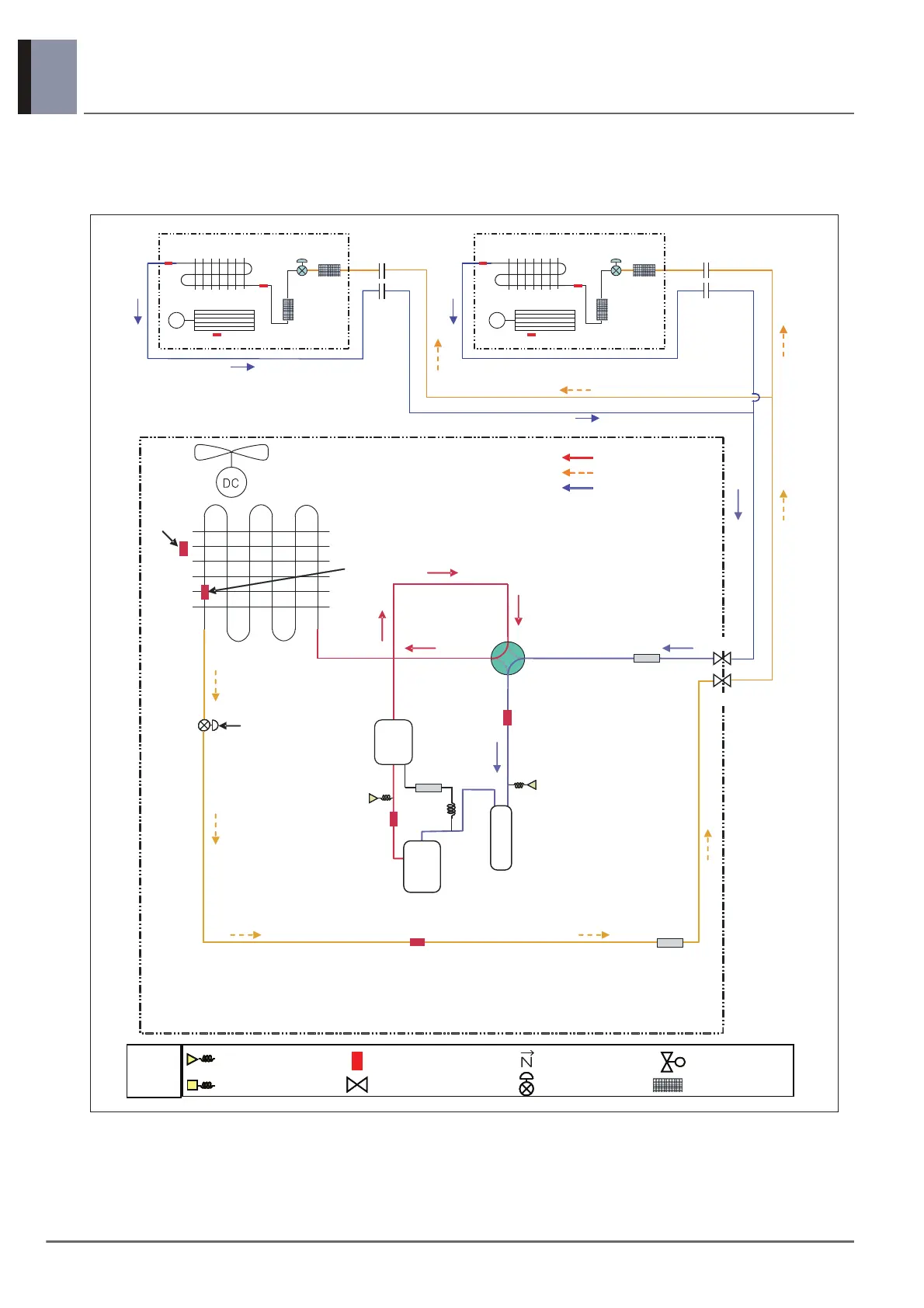
9. Piping Diagrams
84
Product Data
9.2 5 HP U4 Chassis (1Ø)
Cooling Operation
ss
Check valve
EEV
Solenoid valve
SVC Valve
Pressure Sensor
Press ure Switch
Temperature Sensor
Remarks
Strainer
M
VEEVEE
M
Indoor HEX
Fan
Fan
Liquid Pipe
Temperature
Sensor
Outdoor Unit
Outdoor
Temperature
Sensor
Outdoor
EEV
Inverter
Comp-
ressor
Accumulator
Low Pressure Sensor
Liquid Pipe
Gas Pipe
High Temp. High Pressure Gas
High Temp. High Pressure Liquid
Low Temp. Low Pressure Gas
Suction
Temperature
Sensor
4-Way Valve
Oil
Seperator
Comp Discharge
Temperature
Sensor
Outdoor Unit
HEX Temperature
Sensor
Indoor Unit Indoor Unit
Fan
Indoor HEX
Flare
Joint
Flare
Joint
Flare
Joint
Flare
Joint
High Pressure Sensor

Other manuals for LG ARUN040lSS0

Related product manuals