EasyManua.ls Logo

LG ARUN040lSS0 - Wiring Diagrams

LG ARUN040lSS0
148 pages
Print Icon
To Next Page IconTo Next Page
To Next Page IconTo Next Page
To Previous Page IconTo Previous Page
To Previous Page IconTo Previous Page
Loading...
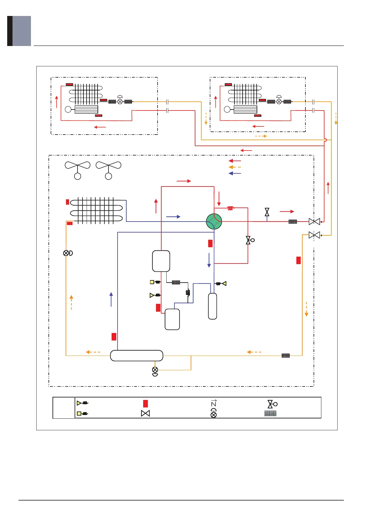
MULTI V S Outdoor Unit
9. Piping Diagrams
88
Product Data
Heating Operation
High Temperature High Pressure Gas
High Temperature High Pressure Liquid
Low Temperature Low Pressure Gas
M
Electronic
Expansion Valve
Fan
Indoor Heat Exchanger
M
Electronic
Expansion Valve
Fan
Indoor Heat Exchanger
Flare
Joint
Flare
Joint
Flare
Joint
Flare
Joint
ss
Outdoor
EEV
4-Way Valve
Sub-Cooler
Sub-Cooling EEV
Hot Gas
Valve
Outdoo r Uni t
Accumulator
Inverter Compressor
Sub-cooling
CircuitOutlet
Temperature
Sensor
Fan
M
Fan
M
Gas Pipe
Liquid Pipe
Outdoor Unit
HEX Temperature
Sensor
Outdoor
Temperature
Sensor
Liquid Pipe
Temperature
sensor
Comp Discharge
Temperature
Sensor
High Pressure
Switch
Low
Pressure
Sensor
High Pressure
Sensor
Suction
Temperature
Sensor
Oil
Separator
Charging
Port
ss
Check valve
EEV
Solenoid valve
SVC Valve
Pressure Sensor
Press ure Switch
Temperature Sensor
Remarks
Strainer

Other manuals for LG ARUN040lSS0

Related product manuals