EasyManua.ls Logo

LG ARUN040lSS0 - Page 97

LG ARUN040lSS0
148 pages
Print Icon
To Next Page IconTo Next Page
To Next Page IconTo Next Page
To Previous Page IconTo Previous Page
To Previous Page IconTo Previous Page
Loading...
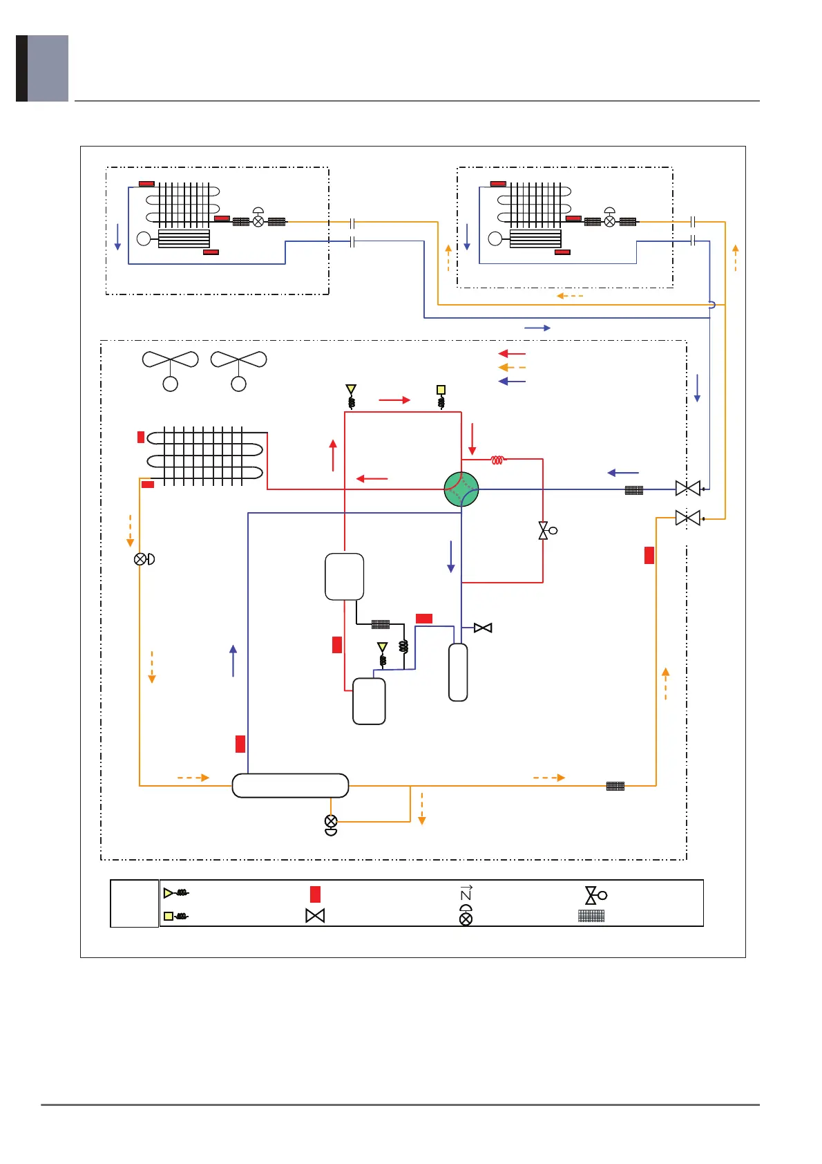
MULTI V S Outdoor Unit
9. Piping Diagrams
92
Product Data
Oil Return / Defrost Operation
High Temperature High Pressure Gas
High Temperature High Pressure Liquid
Low Temperature Low Pressure Gas
Liquid Pipe
Gas Pipe
M
Electronic
Expansion Valve
Fan
Indoor Heat Exchanger
M
Electronic
Expansion Valve
Fan
Indoor Heat Exchanger
Flare
Joint
Flare
Joint
Flare
Joint
Flare
Joint
Fan
M
Fan
M
ss
Outdoor
EEV
Sub-Cooling EEV
Sub-Cooler
Oil
Separator
Hot Gas
Valve
Outdoo r Unit
Accumulator
Comp
Discharge
Temperature
Sensor
Inverter Compressor
Suction
Temperature
Sensor
Sub-cooling
CircuitOutlet
Temperature
Sensor
Outdoor Unit
HEX Temperature
Sensor
Outdoor
Temperature
Sensor
Liquid Pipe
Temperature
sensor
High Pressure
Switch
Low
Pressure
Sensor
Charging
Port
High Pressure
Sensor
ss
Check valve
EEV
Solenoid valve
SVC Valve
Pressure Sensor
Press ure Switch
Temperature Sensor
Remarks
Strainer

Other manuals for LG ARUN040lSS0

Related product manuals