EasyManua.ls Logo

LG ARUN080lSS0 - Page 96

LG ARUN080lSS0
148 pages
Print Icon
To Next Page IconTo Next Page
To Next Page IconTo Next Page
To Previous Page IconTo Previous Page
To Previous Page IconTo Previous Page
Loading...
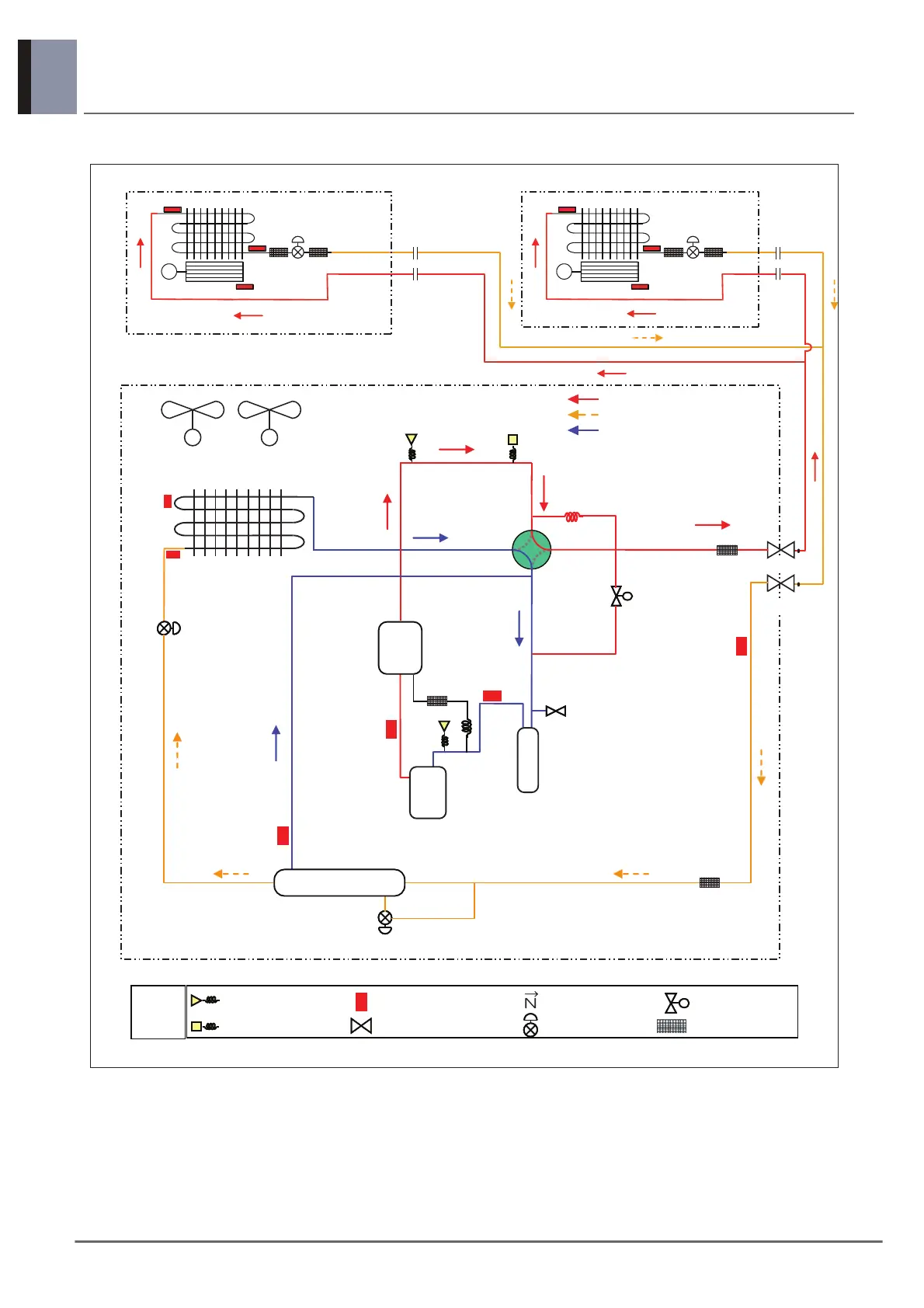
9. Piping Diagrams
91
MULTI V S Outdoor Unit
Product Data
Heating Operation
High Te mperature High Pressure Gas
High Te mperature High Pressure Liquid
Low Temperature Low Pressure Gas
M
El ec tronic
Ex pans ion Va lve
Fa n
Indoor H eat Ex changer
M
El ec tronic
Ex pans ion Va lve
Fa n
Indoor H eat Ex changer
Flare
Joint
Flare
Joint
Flare
Joint
Flare
Joint
ss
Outdoor
EE V
Oi l
Se parator
4-Wa y Va lve
Sub-Cooler
Sub-Cooling EE V
Ho t Gas
Va lve
Ou tdoo r Uni t
Accumulator
Inverter Compressor
Suction
Temperature
Sensor
Sub-cooling
CircuitOutle t
Te mperature
Sensor
Fa n
M
Fa n
M
Gas Pipe
Liquid Pipe
Outdoor Unit
HEX Te mperature
Sensor
Outdoor
Te mperature
Sensor
Comp
Discharge
Te mperature
Sensor
Liquid Pipe
Te mperature
sensor
High Pressure
Switch
Low
Pressure
Sensor
Charging
Port
High Pressure
Sensor
ss
Ch eck valve
EE V
So lenoid valve
SVC Val ve
Pr essu re Se nsor
Pr ess ure Sw itch
Te mperature Se nsor
Rem ar ks
St rainer