EasyManua.ls Logo

LG GR-349SQF - Page 32

LG GR-349SQF
41 pages
To Next Page IconTo Next Page
To Next Page IconTo Next Page
To Previous Page IconTo Previous Page
To Previous Page IconTo Previous Page
Loading...
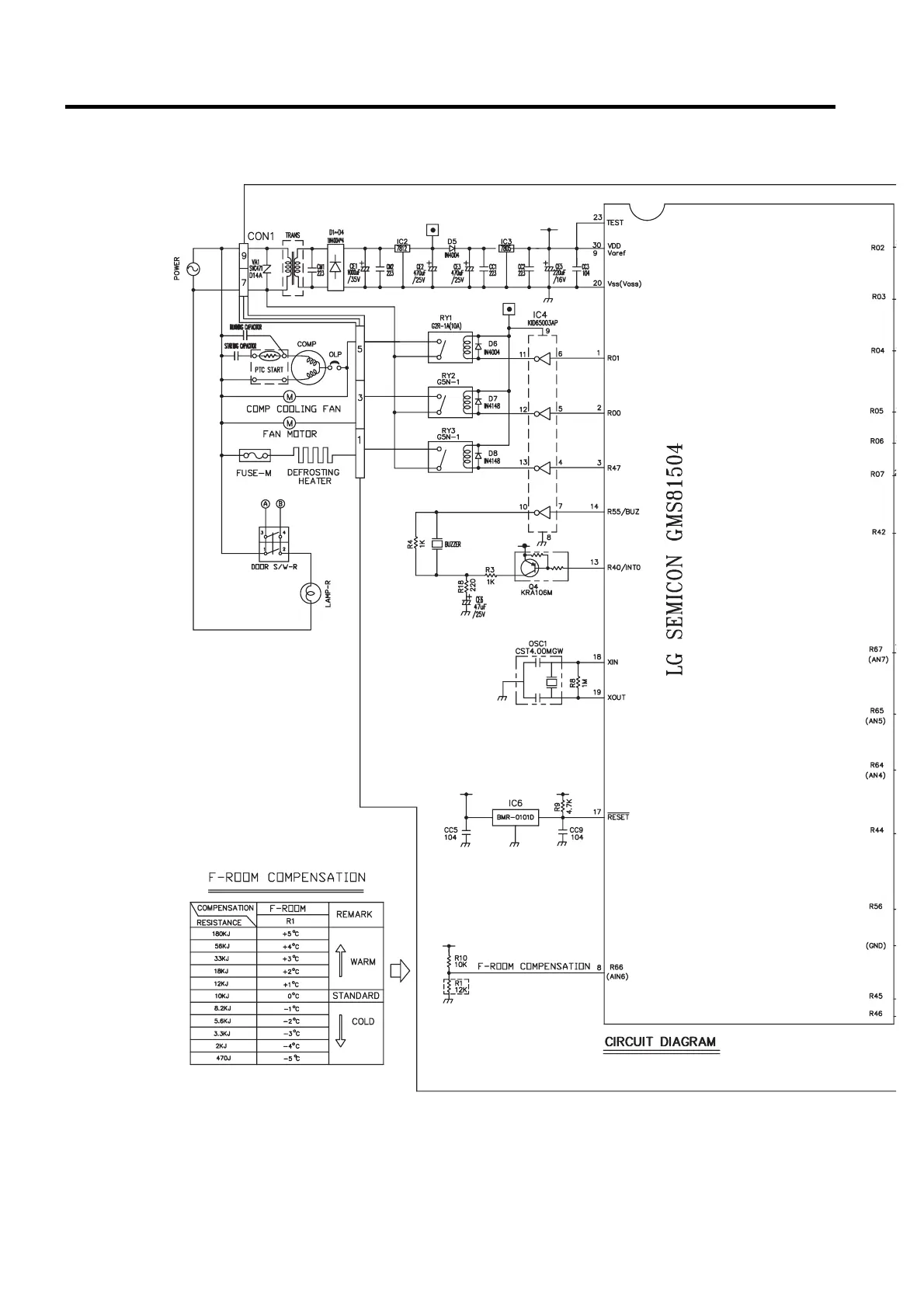
5. PWB circuit drawing- The PWB circuit drawing may change without notice.
- 32 -

Related product manuals