EasyManua.ls Logo

LG GR-P207 - Check Load Driving Status; Lever S;W Sensing Circuit

LG GR-P207
146 pages
To Next Page IconTo Next Page
To Next Page IconTo Next Page
To Previous Page IconTo Previous Page
To Previous Page IconTo Previous Page
Loading...
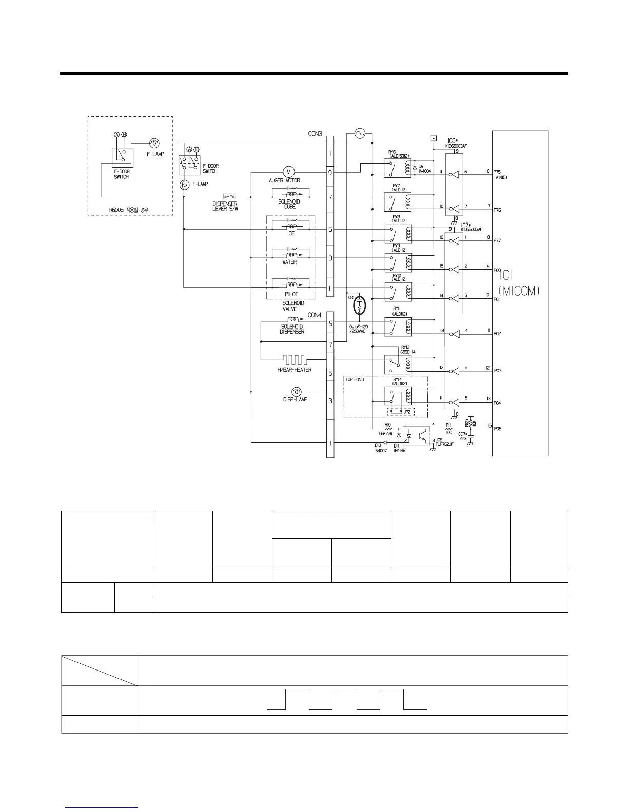
1) Check load driving status
2) Lever S/W sensing circuit
EXPLATION FOR MICOM CIRCUIT
- 39 -
<GR-P/L207: Dot-LED>
Measuring part
Lever S/W
IC1(Micom) No.15 (16)
On(Press)
OFF 5V
0 V
(60 Hz)
5 V
Measuring part IC6-No.11 IC6-No.10 IC7-No.16 IC7-No.15 IC7-No.13 IC7-No.12 IC7-No.14
Status
ON Within 1 V
OFF 12 V
Type of Load
GEARED
MOTOR
SOLENOID
CUBE
WATER VALVE
ICE WATER
SOLENOID
DISPENSER
HOME BAR
HEATER
SOLENOID
PILOT

Table of Contents

Related product manuals