EasyManua.ls Logo

LG GR-P207 - Ice Maker Circuit Details

LG GR-P207
146 pages
To Next Page IconTo Next Page
To Next Page IconTo Next Page
To Previous Page IconTo Previous Page
To Previous Page IconTo Previous Page
Loading...
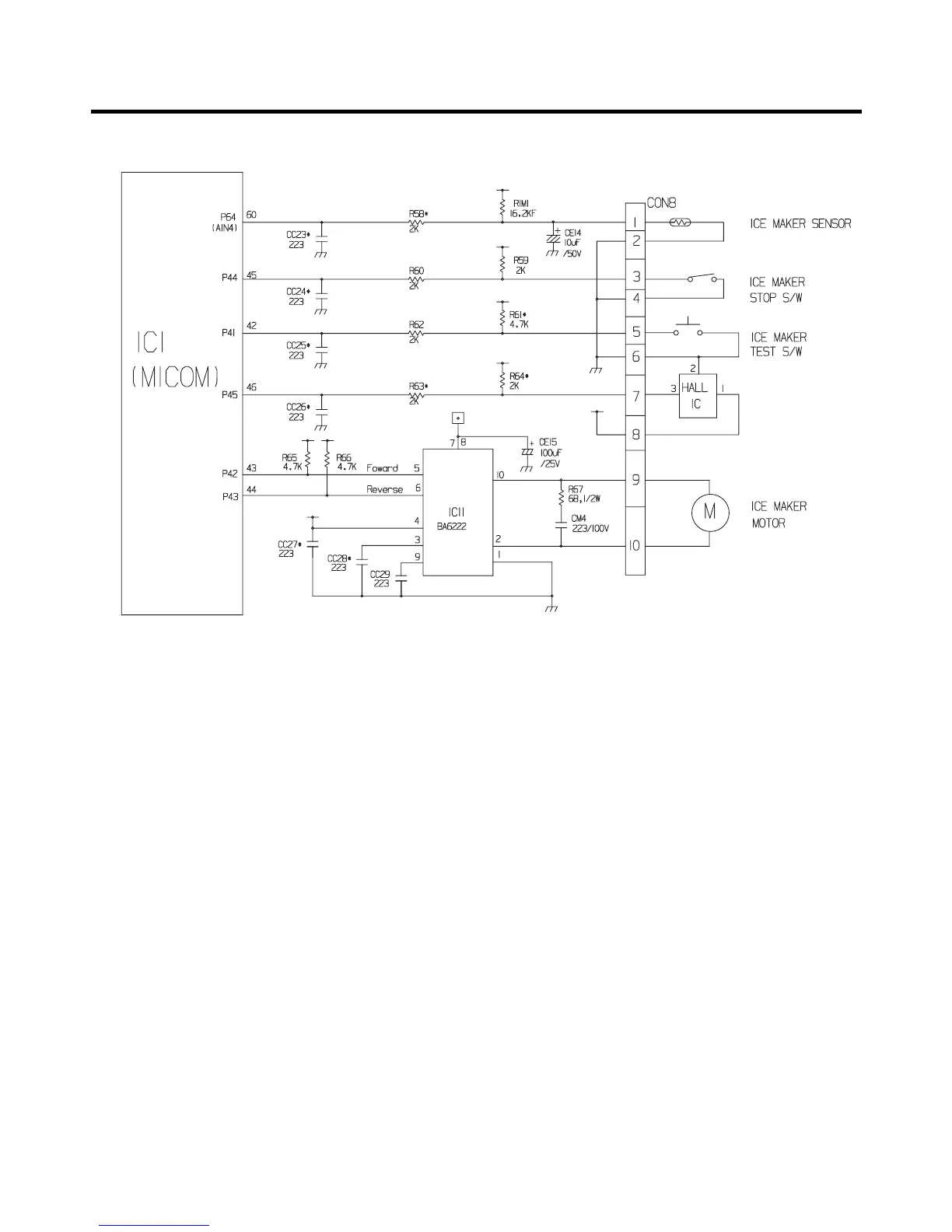
The above ice maker circuits are applied to GR-P207, GR-L207 and composed of ice maker unit in the freezer and ice
maker driving part of main PWB. Water is supplied to the ice maker cube mould through the solenoid relay for ice valve of
solenoid valve in the machine room by opening valve for the set time. Water supply automatically stops when water supply
time is elapsed. This circuit is to realize the functions such as ice ejection of ice maker cube mould, ice full detection,
leveling, ice making temperature detection, etc. Refer to the temperature detecting circuits of Main PWB for ice making
temperature detection. Ice maker test switch input detection is the same as the door switch input detection circuit of main
PWB.
1. It is to force to operate during operation test, service, and cleaning. The test switch is mounted under the automatic ice
maker. The test function starts when the test switch is pressed for more than 0.5 second.
2. Test button does not work during ice ejection and water supply. It works when it is in the horizontal conditions. If cube
mould is full of ice during test function operation, ice ejection control and water supply control do not work.
3. Ice ejection carries out irrespect of ice formation in the ice making tray if test switch is pressed for more than 0.5 second.
Water shall be splashed if test switch is pressed before the water in the mould is completely frozen. Water shall be
supplied while the mould returns to the horizontal conditions after ice ejection. Therefore the problems of ice ejection,
leveling, and water supply can be checked by test switch. When test function performs normally, buzzer sounds and
water supply shall carry out. Check it for repair if buzzer does not sound.
4. When water supply is completed, normal cycle works: Ice Making Ice Ejection Level Return Water Supply.
5. If ice maker stop switch is set to ON, normal cycle operates: Ice Making Ice Ejection Level Return Water Supply.
If it is set to OFF, ice making conducts but ice ejection, level return, and water supply do not work.
ICE MAKER AND DISPENSER WORKING PRINCIPLES AND REPAIR
- 92 -
<GR-P/L207: Dot-LED>

Table of Contents

Related product manuals