EasyManua.ls Logo

LG LBUK4260BL - Page 23

LG LBUK4260BL
64 pages
Print Icon
To Next Page IconTo Next Page
To Next Page IconTo Next Page
To Previous Page IconTo Previous Page
To Previous Page IconTo Previous Page
Loading...
- 23 -
Copyright ©2007 LG Electronics. Inc. All right reserved.
Only for training and service purposes
LGE Internal Use Only
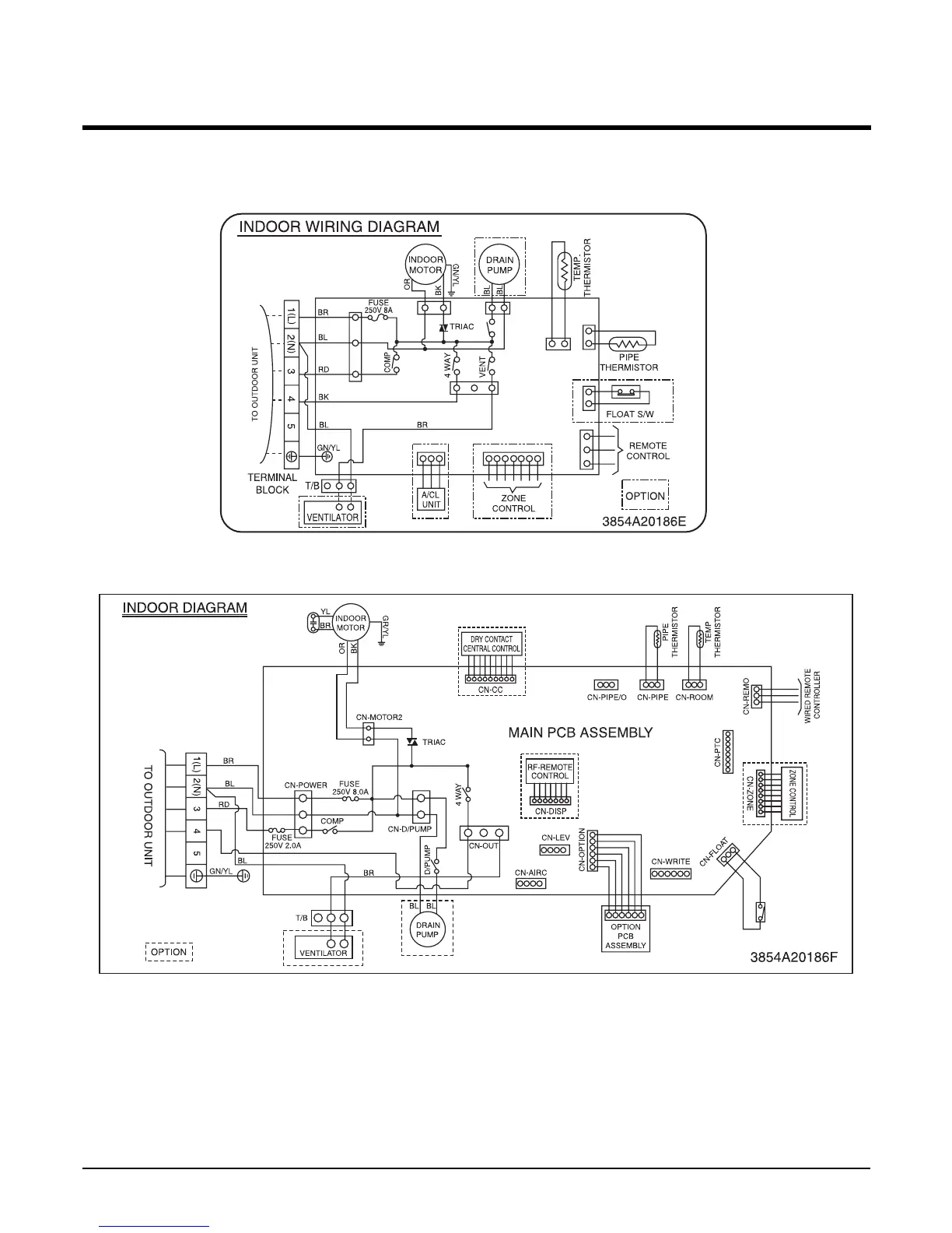
Model : LB-H608RSS1/608RSS3
1.1 Indoor(LBNH608RSS1)
1.2 Indoor(LBNH608RSS3)

Related product manuals