EasyManua.ls Logo

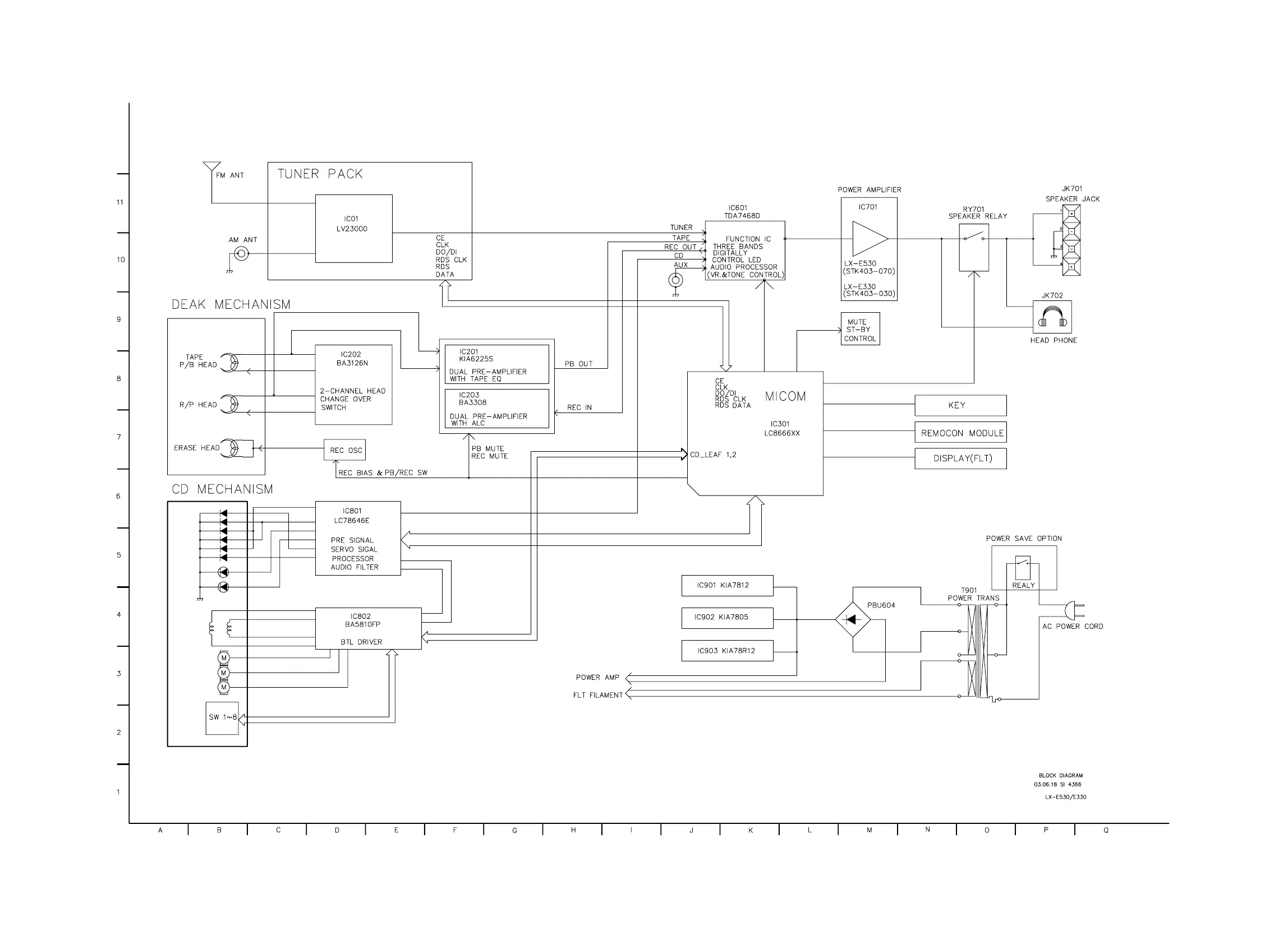
LG LX-E330A - Block Diagram

LG LX-E330A
36 pages
Print Icon
To Next Page IconTo Next Page
To Next Page IconTo Next Page
To Previous Page IconTo Previous Page
To Previous Page IconTo Previous Page
Loading...
2-15 2-16
BLOCK DIAGRAM