EasyManua.ls Logo

LG OLED55C6P - Page 65

LG OLED55C6P
125 pages
Print Icon
To Next Page IconTo Next Page
To Next Page IconTo Next Page
To Previous Page IconTo Previous Page
To Previous Page IconTo Previous Page
Loading...
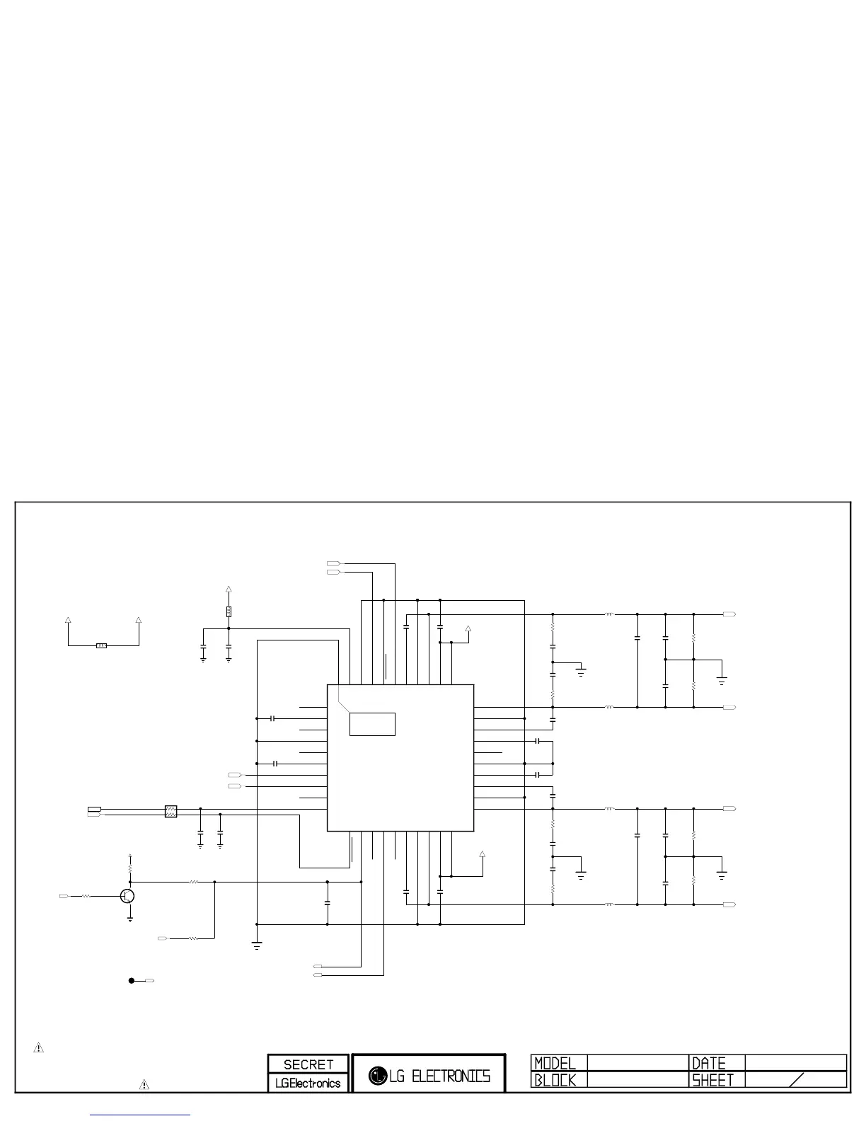
THERMAL
THE SYMBOL MARK OF THIS SCHEMETIC DIAGRAM INCORPORATES
SPECIAL FEATURES IMPORTANT FOR PROTECTION FROM X-RADIATION.
FIRE AND ELECTRICAL SHOCK HAZARDS, WHEN SERVICING IF IS
ESSENTIAL THAT ONLY MANUFACTURES SPECIFIED PARTS BE USED FOR
THE CRITICAL COMPONENTS IN THE SYMBOL MARK OF THE SCHEMETIC.
I2C_SCL0
C5306
22000pF
50V
L5302
NRS6045T100MMGK
10.0uH
10uF
C5309
35V
C5303
1uF
10V
L5300
BLM18PG121SN1D
0.1uF
C5320
50V
C5314
22000pF
50V
0.1uF
C5302
16V
POWER_DET
+13V_AMP_FRONT
R5308
4.7K
R5311
4.7K
+3.3V_NORMAL
C5300
33pF
50V
C5315
22000pF
50V
L5304
NRS6045T100MMGK
10.0uH
C5317
390pF
50V
C5319
0.47uF
50V
R5306
3.3
1/10W
AMP_MUTE
R5301
10K
AUD_LRCH
0.1uF
C5321
50V
C5312
390pF
50V
SPK_L-_FT
C5310
1uF 10V
IC5300
NTP7515
EAN62886102
3
NC_2
2
VDD_PLL
4
GND
1
NC_1
6
DVDD
5
NC_3
7
SDATA
8
WCK
9
NC_4
10
SDA
11
SCL
12
FAULT
13
MONITOR_0
14
MONITOR_1
15
MONITOR_2
16
BST2B
17
PGND2B
18
OUT2B
19
PVDD2B
20
PVDD2A
21
OUT2A
22
PGND2A
23
BST2A
24
VDR2
25
AGND
26
NC_5
27
VDR1
28
BST1B
29
PGND1B
30
OUT1B
31
PVDD1B
32
PVDD1A
33
OUT1A
34
PGND1A
35
BST1A
36
RESET
37
AD
38
CLK_I
39
GND_IO
40
VDD_IO
41
[EP]GND
C5318
0.47uF
50V
R5304
3.3
1/10W
0.1uF
C5322
50V
L5303
NRS6045T100MMGK
10.0uH
AUD_LRCK
I2S_AMP
R5307
3.3
1/10W
SPK_L+_FT
R5300
10K
WOOFER_MUTE
AR5300
100
1/16W
0.1uF
C5323
50V
C5313
390pF
50V
10uF
C5308
35V
C5304
1uF
10V
R5302
100
OPT
R5309
4.7K
AMP_RESET_N
R5303
100
+3.3V_NORMAL
SPK_R+_FT
Q5300
MMBT3904(NXP)
E
B
C
R5305
3.3
1/10W
I2C_SDA0
C5301
33pF
50V
+13V_AMP_FRONT
WOOFER_MUTE
L5301
NRS6045T100MMGK
10.0uH
C5311
1uF 10V
AUD_SCK
C5316
390pF
50V
C5307
22000pF
50V
SPK_R-_FT
R5310
4.7K
C5305
1000pF
50V
A13V
L5305
UBW2012-121F
+13V_AMP_FRONT
10uF
C5324
10V
NTP AMP
2015.02.24
20
M16
26
053.sht
SPEAKER_R
NTP_AMP_Front
SPEAKER_L
0x54
Copyright © 2016 LG Electronics Inc. All rights reserved.
Only for training and service purposes
LGE Internal Use Only

Other manuals for LG OLED55C6P

Related product manuals