EasyManua.ls Logo

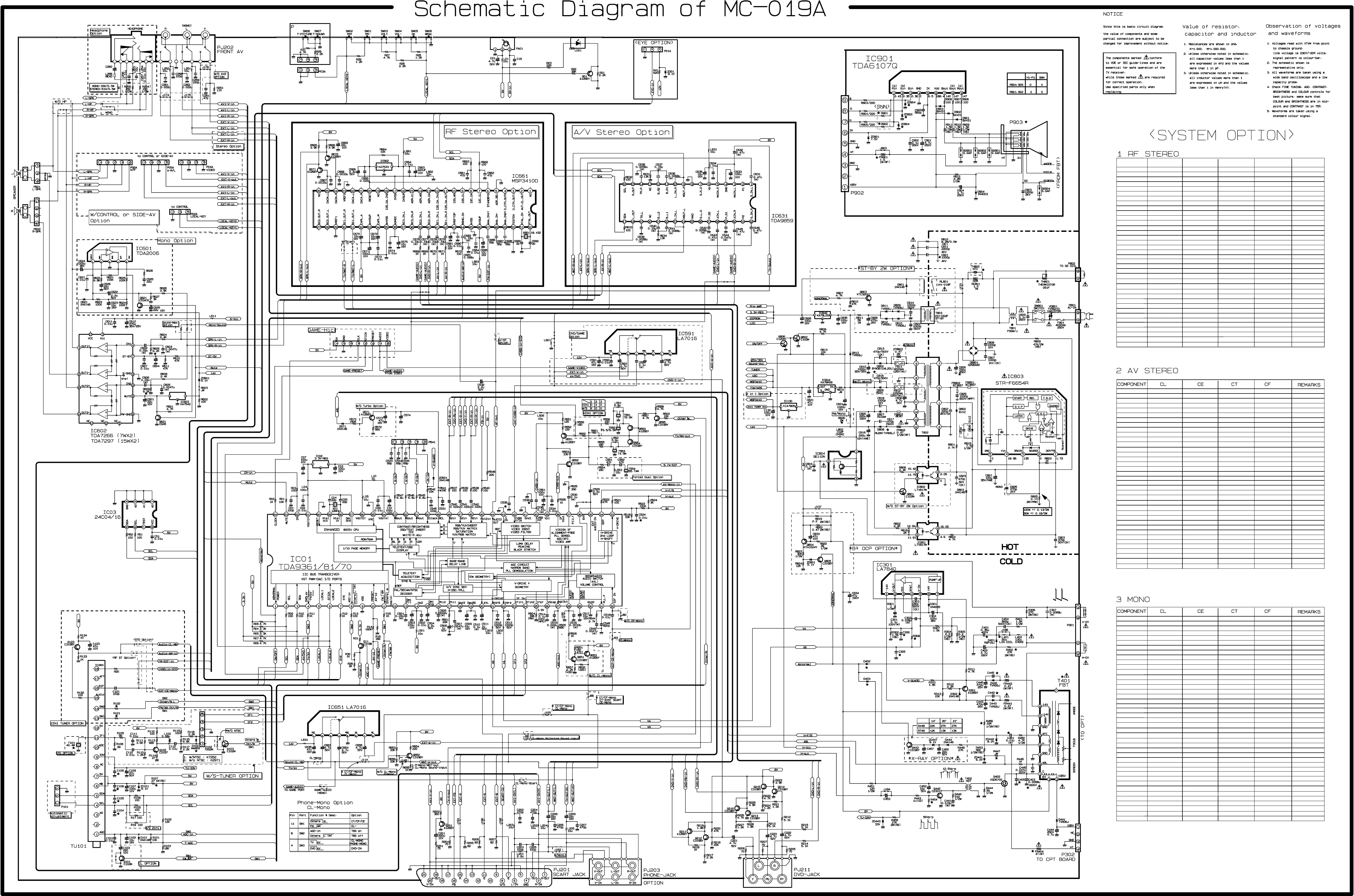
LG RT-21FA31X - Page 27

LG RT-21FA31X
29 pages
Print Icon
To Next Page IconTo Next Page
To Next Page IconTo Next Page
To Previous Page IconTo Previous Page
To Previous Page IconTo Previous Page
Loading...
P/NO:3854VA0083A-S
2001.04.20

Related product manuals