EasyManua.ls Logo

LG RT-29FB35RX - Page 19

LG RT-29FB35RX
30 pages
Print Icon
To Next Page IconTo Next Page
To Next Page IconTo Next Page
To Previous Page IconTo Previous Page
To Previous Page IconTo Previous Page
Loading...
- 19 -
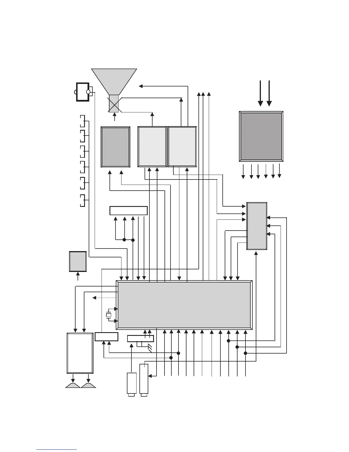
CLK
PRESET
STICK
L/ R
LA42071
LA42072
LA42152
Video
CPT/ VM
TDA6109
POWER.
STR
X6757
POWER.
STR
X6757
SIF
H/ P
SPKR-L
SPKR-R
SW1
SAW
R G B
V1
V2
V3
C3
R/ Pr
Y3
G/ Y
B/Pb
V1
V2
V3
C3
R/ Pr
Y3
G/ Y
B/Pb
AIN1 L/ R
AIN2 L/ R
AIN3 L/ R
AUDIO
VIDEO
LA722
2
HOR./ EW
VER.
TDA4863
(
(
(
(
(
(
(
(
EHT
VCTi
49xxl
P
N
SVCC
+110V
+12V
+5V
+3.3V
+1.8V
BINBIN
PIP
Va
Vb
RGB
out
SVM
out
Hfb
Hout
MenuOKVOL-VOL+PR-PR+
KEY
IR
AUDIO
VIDEO
GAME
MODULE
HS
VS
IFIN+
IFIN-
MAIN
SUB
MAIN
SUB
3
T
PIP
VIDEO
RIN
GIN
PIP
VIDEO
RIN
GIN
AOU 1
1
/
2
VOU
T

Related product manuals