EasyManua.ls Logo

LG RT-29FB70RB - Page 16

LG RT-29FB70RB
32 pages
Print Icon
To Next Page IconTo Next Page
To Next Page IconTo Next Page
To Previous Page IconTo Previous Page
To Previous Page IconTo Previous Page
Loading...
- 16 -
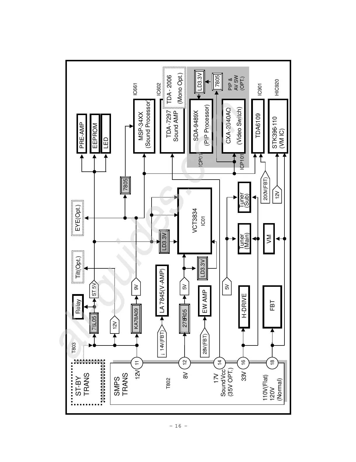
11
110V(Flat)
120V
(Normal)
12V
12
33V
14
16
18
17V
Sound Vcc
(35V OPT.)
8V
278R05
LD3.3V
KA78A09
78L05
TDA-7297
Sound AMP
H-DRIVE
FBT
PRE-AMP
EEPROM
LED
TDA6109
MSP-34XX
(Sound Processor)
7805
Tuner
(Main)
VCT3834
LD3.3V
TDA- 2006
(Mono Opt.)
SDA-9489X
(PIP Processor)
CXA-2040AQ
(Video Switch)
EYE(Opt.)
Tilt(Opt.)
STK396-110
(VM IC)
12V
SMPS
TRANS
ST-BY
TRANS
ST 5V
12V
9V
5V
PIP &
AV SW
(OPT.)
7805
LD3.3V
5V
Tuner
(Sub)
Relay
VM
200V(FBT)
LA 7845(V-AMP)
¡ 14V(FBT)
EW AMP
28V(FBT)
T803
T802
IC01
IC661
IC602
ICP01
ICP101
IC901
HIC920
All manuals and user guides at all-guides.com
all-guides.com

Related product manuals