EasyManua.ls Logo

LGMG SR0818D - Page 50

LGMG SR0818D
54 pages
Print Icon
To Next Page IconTo Next Page
To Next Page IconTo Next Page
To Previous Page IconTo Previous Page
To Previous Page IconTo Previous Page
Loading...
Maintenance Manual of Rough Terrain Mobile Elevating Work Platform
44
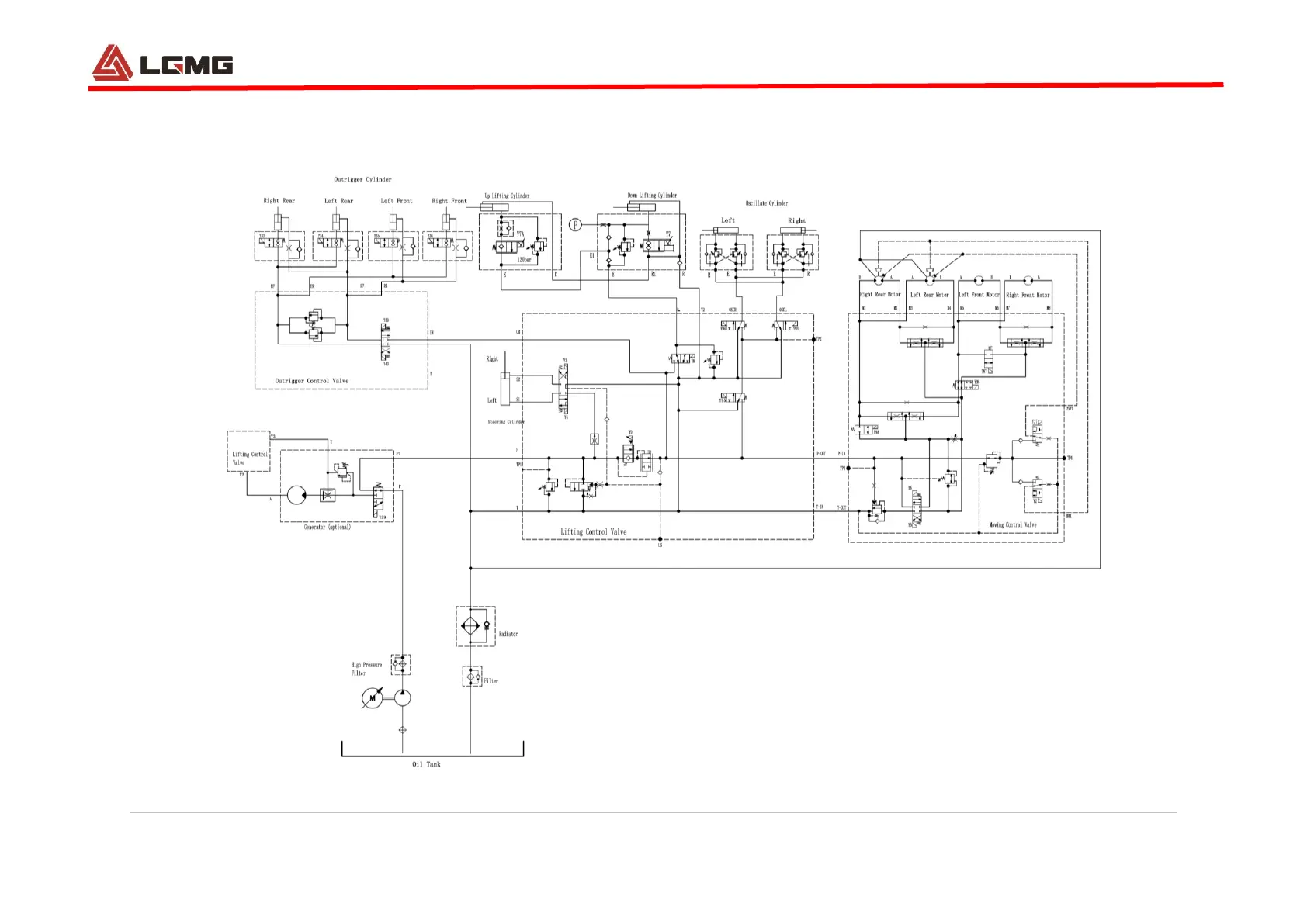
SR1218D Hydraulic schematic

Related product manuals