EasyManua.ls Logo

LIBRETTO SILVER - Electrical Diagrams; System Schematics

Default Icon
Print Icon
To Next Page IconTo Next Page
To Next Page IconTo Next Page
To Previous Page IconTo Previous Page
To Previous Page IconTo Previous Page
Loading...
33
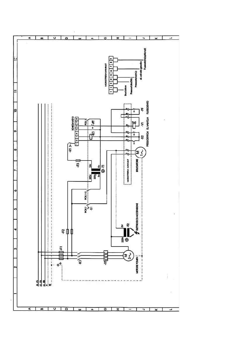
LEGENDA BY-PASS
F1 Fusibili protezione potenza
F2 Fusibili protezione primario trasformatore
F3 Fusibile protezione secondario trasformatore
K1 Contattore
RT Relé Termico
S1 Selettore pompa/bruciatore
T1 Trasformatore 0-220-380/0-24
T2 Trasformatore di accensione
PT Termostato
S2 Pressostato/i
Y1 Elettrovalvola gasolio
PF Flussostato (optional)
ELECTRICAL DIAGRAM
Please note 240 and 415 volt models are available
F1 Fuses to protect power
F2 Fuses to protect 1st transformer
F3 Fuses protect 2nd transformer
K1 Contactor
RT Thermal relay
S1 Pump /Burner selector switch
T1 Transformer 0-220-380/0-24
T2 Ignition transformer
PT Thermostat
S2 Pressure switch
Y1 Diesel electro-valve
PF Flow switch (optional)
LEGENDE PONTAGE (MÉD.)
F1 Fusibles protection puissance
F2 Fusibles protection 1er transformateur
F3 Fusibles protection 2nd transformateur
K1 Conjoncteur
RT Relais thermique
S1 Sélecteur de Pompe/Brûleur
T1 Transformateur d’allumage
PT Thermostat
S2 Manos-contact
Y1 Électrovalve diesel
PF Commutateur d’écoulement (facultatif)
LEYENDA DERIVACIÓN
F1 Fusibles protección potencia
F2 Fusibles protección primario trasformador
F3 Fusibles protección secundario trasformador
K1 Contactor
RT Relé Termico
S1 Selector bomba/quemador
T1 Trasformador 0-220-380/0-24
T2 Trasformador de ignición
PT Termostato
S2 Interruptor de presión
Y1 Electroválvula gasoil
PF Interruptor de flujo
BY - PASS