EasyManua.ls Logo

LIBRETTO SILVER - Page 34

Default Icon
Print Icon
To Next Page IconTo Next Page
To Next Page IconTo Next Page
To Previous Page IconTo Previous Page
To Previous Page IconTo Previous Page
Loading...
34
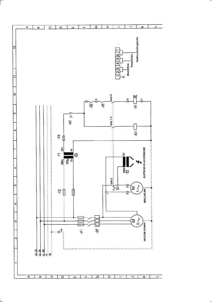
LEGENDA STOP TOTALE RITARDATO
-F1 Fusibili protezione circ. potenza
-F2 Fusibili protezione prim. trasf.
-F3 Fusibili protezione sec. trasf.
-T1 Trasformatore 0-220-380/0-24
-T2 Trasformatore di accensione
-S1 Selettore pompa/bruciatore
-K1 Contatore
-RT Relé termico
-PT Termostato
-S2 Pressostato
-Y1 Elettrovalvola gasolio
LEYENDA (Parada Total Retrasada)
-F1 Fusibles protecciòn potencia
-F2 Fusibles protecciòn primario trasformador
-F3 Fusibles protecciòn primario tresformador
-T1 Trasformador 0-220-380/0-24
-T2 Trasformador de igniciòn
-S1 Selector bomba/quemador
-K1 Contactor
-RT Relé termico
-PT Termostato
-S2 Interruptor/es de presion
-Y1 Electrovàlvula gasoil
ELECTRICAL DIAGRAM DELAYED TOTAL
STOP
Please note 240 and 415 volt models are avaiable
-F1 Fuses to protect power circ.
-F2 Fuses to protect 1 st trasformer
-F3 Fuses protect 2nd trasformer.
-T1 Trasformer 0-220-380/0-24
-T2 Ignition Trasformer
-S1 Pump/Burner selector switch
-K1 Contactor
-RT Thermostat
-S2 Pressure switch
-Y1 Diesel electro-valve
MORSETTIERA MAMMUT-BORNERA MAMMUT
STOP TOTALE RITARDATO - DELAYED TOTAL STOP - PARADA TOTAL RETRASADA - ARRÊT RETARDÈ
LEGENDE ARRÊT TOTAL RETARDÉ
-F1 Fusible protection circ. puissance
-F2 Fusibles protection 1 er trasforma-
teur
-F3 Fusibles protection 2 nd trasforma-
teur
-T1 Trasormateur 0-220-380/0-24
-T2 Trasormateur d’allumage
-S1 Sélecteur de Pompe/BrÙleur
-K1 Conjoncteur
-RT Relais thermique
-PT Thermostat
-S2 Manos-contact
-Y1 Èlettrovalvola diesel