EasyManua.ls Logo

LIBRETTO SILVER - Page 35

Default Icon
Print Icon
To Next Page IconTo Next Page
To Next Page IconTo Next Page
To Previous Page IconTo Previous Page
To Previous Page IconTo Previous Page
Loading...
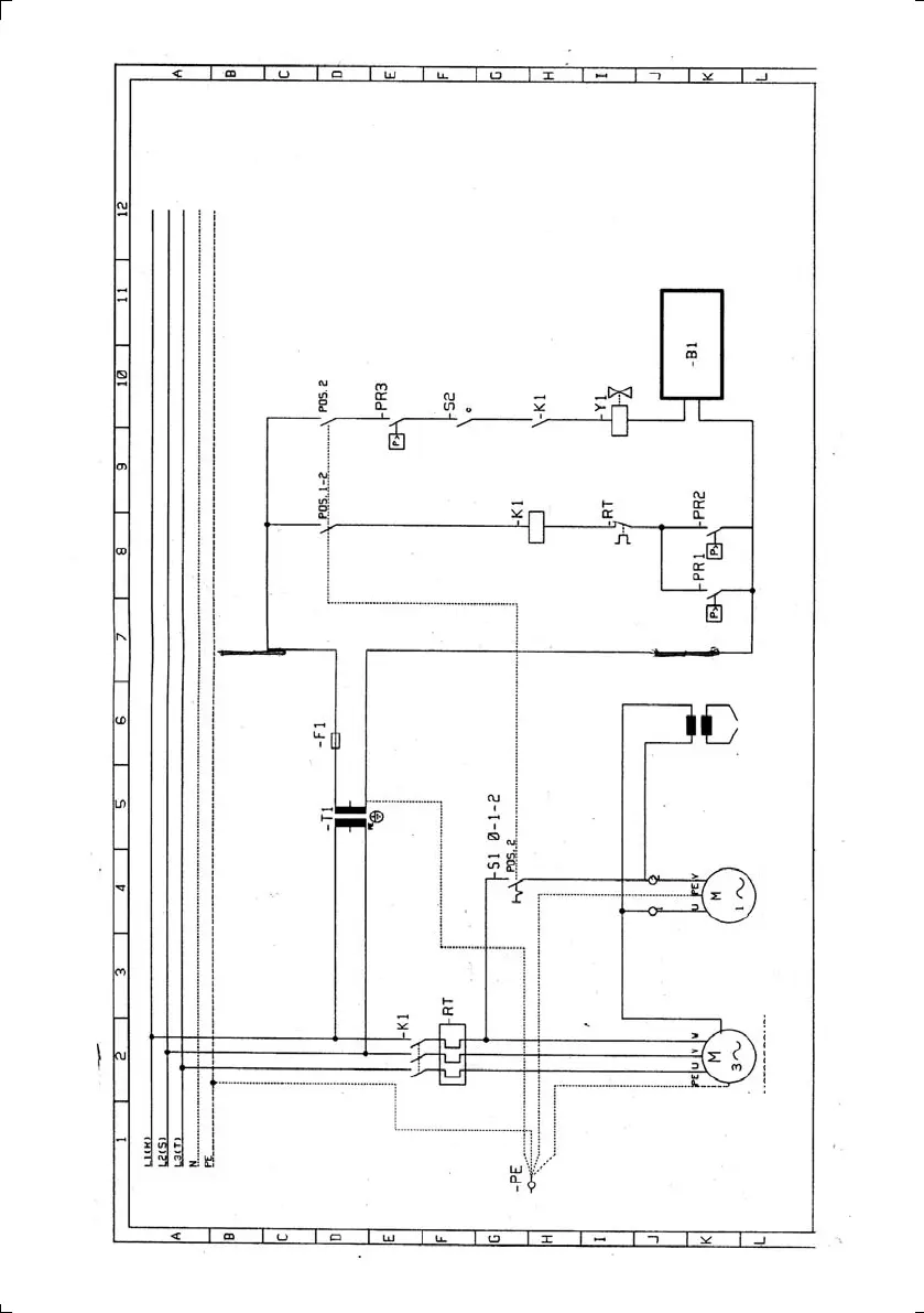
MOTORE POMPA
BRUCIATORE
ELETTRODI
ACCENSIONE
LEGENDA/KEY
-K1 Teleruttore/Contactor
-FR Relè termico/Thermal relay
-S1 Selettore 0-1-2/Switch
-S2 Termostato/Thermostat
-PR1 Pressosteto/Pressure switch
-PR2 Pressosteto/Pressure switch
-PR3 Pressosteto/Pressure switch
-B1 Scheda ritardo/electronic card
-Y1 Elettrovalvola/fuel valve
-T1 Trasformatore/Transformafeur
-F1 Fusibile sec./Fusible
LÉGENDE/LEYENDA
-K1 Télérupteur/Teleruptor
-FR Telèthermique/Relé térmico
-S1 Sélecteur 0-1-2/Selector
-S2 Thermostat/Termostato
-PR1 Manostat/Interruptores De Presión
-PR2 Manostat/Interruptores De Presión
-PR3 Manostat/Interruptores De Presión
-B1 Fiche retard/Ficha retraso
-Y1 Èlectrovalve/Electroválvula
-T1 Transformateur/Trasformador
-F1 Fusible/-Fusible
35