EasyManua.ls Logo

LIMBACH L 1700 - Cold Start Valve Check; Checking Cold Start Valve

LIMBACH L 1700
3 pages
Print Icon
To Previous Page IconTo Previous Page
To Previous Page IconTo Previous Page
Loading...
Maintenance Instruction
10.3
Bearb.: Stolinski Replaces edition from: 13.09.96
Gepr. + Freig.:
Edition: 18.12.02
Page: 3 of 3 Pages
Reg.-Nr.: 041 Datei:MI10-3.DOC
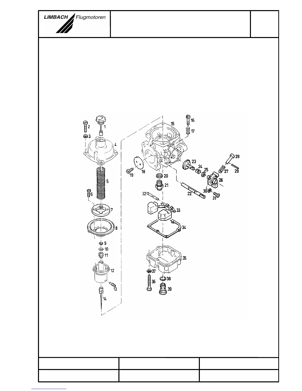
Checking cold start valve
1. Remove cold start valve (26) and check bushing for wear.
2. Metering disc (23) must be free of marks. Check that the disc has axial freedom on the shaft, but no
rtadial play.
3. Mount cold start valve assy. Apply a small amount of CURIL-T to the screw facing the floatchamber.
Notice: This document has been translated to the best of our knowledge. In case of doubt, however, only the
German original shall be considered as authoritative.

Related product manuals