EasyManua.ls Logo

Load UP 76000 - Wiring Diagram Load Up 7

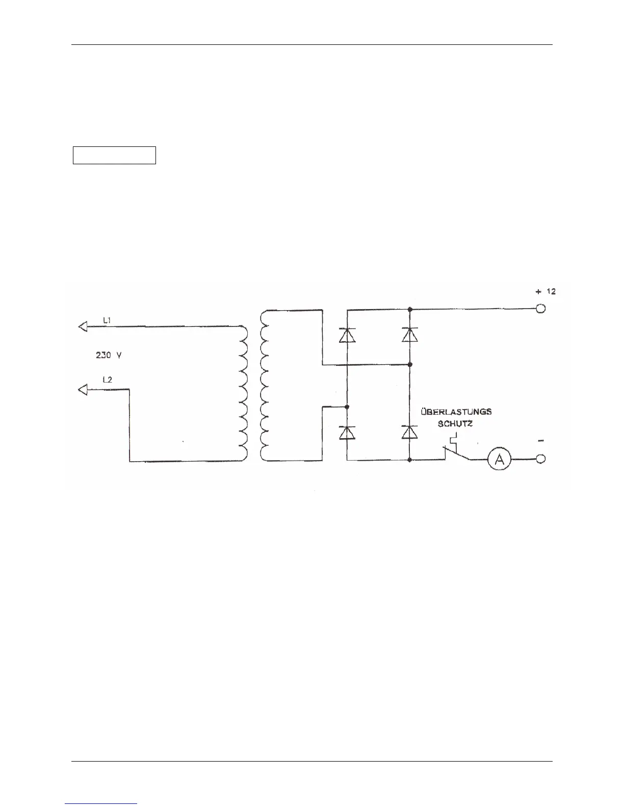
Load UP 76000
Print Icon
To Next Page IconTo Next Page
To Next Page IconTo Next Page
To Previous Page IconTo Previous Page
To Previous Page IconTo Previous Page
Loading...
Load UP
30
ELEKTRISCH SCHEMA
SCHALTPLAN
WIRING DIAGRAM
SCHEMA ELECTRIQUE
LOAD UP 7