EasyManua.ls Logo

Long 460 - Page 9

Long 460
88 pages
Print Icon
To Next Page IconTo Next Page
To Next Page IconTo Next Page
To Previous Page IconTo Previous Page
To Previous Page IconTo Previous Page
Loading...
1--
--
1920
--~
~ ~ ~ - 3070
-
-----
- -
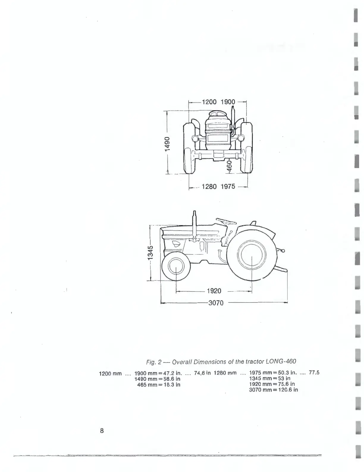
Fig. 2 - Ov
erall
Dimensi
ons
of the
tractor
L
ONG
-
460
1200 mm
....
1900 mm
=47
.2 in . ....
74
,8 in 1280 mm .... 19
75
mm=
50.3 in. 77.5
8
14
90
mm = 58.6 in 1345
mm=
53 in
4
65
mm=
18.3 in 19
20
mm=
75.6 in
30
70
mm=
120.6 in

Related product manuals