EasyManua.ls Logo

Lotus PC-74ETX - Page 8

Lotus PC-74ETX
33 pages
Print Icon
To Next Page IconTo Next Page
To Next Page IconTo Next Page
To Previous Page IconTo Previous Page
To Previous Page IconTo Previous Page
Loading...
INTRODUCTION
Translation of the original instructions
8
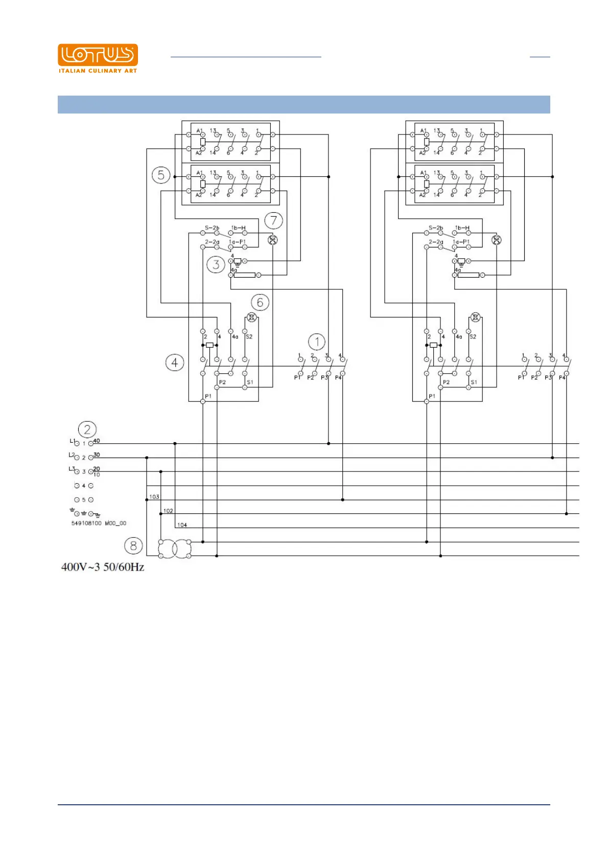
WIRING DIAGRAM (F)
1 Switch
2 Power supply terminal board
3 Radiant resistance
4 Power regulator
5 Relay board
6 White indicator light
7 Residual heat indicator light
8 Transformer

Related product manuals