EasyManua.ls Logo

LSIS XP30-BTE - Page 68

LSIS XP30-BTE
99 pages
Print Icon
To Next Page IconTo Next Page
To Next Page IconTo Next Page
To Previous Page IconTo Previous Page
To Previous Page IconTo Previous Page
Loading...
Chapter 10. Installation and Wiring
10
-
8
Remark
(1) When the regulation of power is bigger than provision, use the constant voltage transformer.
(2) In case power has much noise, use the insulation transformer.
Separate the XGT Panel power from the I/O device and main circuit device.
Remark
(1) Separate the XGT Panels power from the main circuit (high voltage, large current) cable, I/O signal cable.
If possible, install with a interval of more than 100mm.
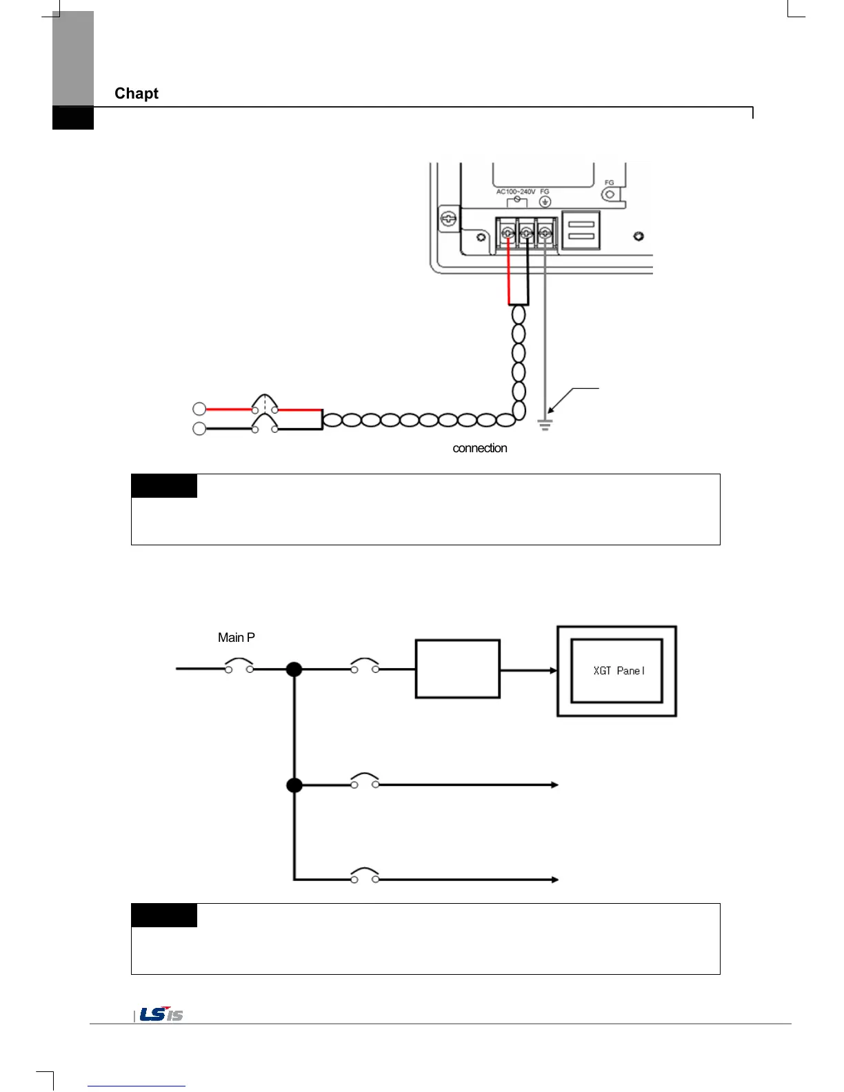
AC 100~240V
AC power connection
Main Power
XGT Panel power
I/O power
Main circuit power
I/O device
Main circuit device
Constant
Voltage
Transformer
Ground
AC Power
100~220 V

Other manuals for LSIS XP30-BTE

Related product manuals