EasyManua.ls Logo

Lucent DDM-2000 OC-3 - Page 1154

Lucent DDM-2000 OC-3
1224 pages
Print Icon
To Next Page IconTo Next Page
To Next Page IconTo Next Page
To Previous Page IconTo Previous Page
To Previous Page IconTo Previous Page
Loading...
DLP-558: Detailed Level Procedure 363-206-285
Page 8 of 8 Issue 2, February 2000
DDM-2000 OC-3 MULTIPLEXER
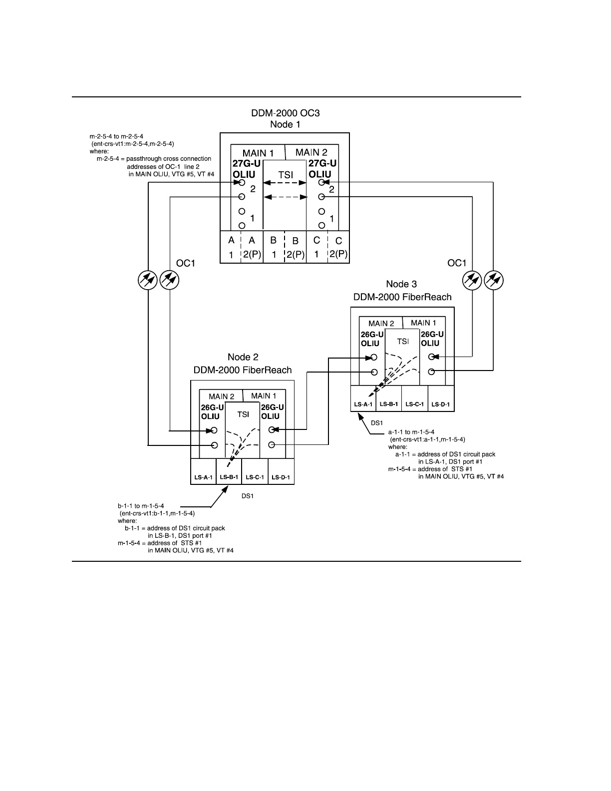
Figure 6 Example of Stand Alone OC-3/OC-1 Cross-connections