EasyManua.ls Logo

Lucent DDM-2000 OC-3 - Page 1164

Lucent DDM-2000 OC-3
1224 pages
Print Icon
To Next Page IconTo Next Page
To Next Page IconTo Next Page
To Previous Page IconTo Previous Page
To Previous Page IconTo Previous Page
Loading...
363-206-285 Detailed Level Procedure: DLP-559
Issue 2, February 2000 Page 10 of 12
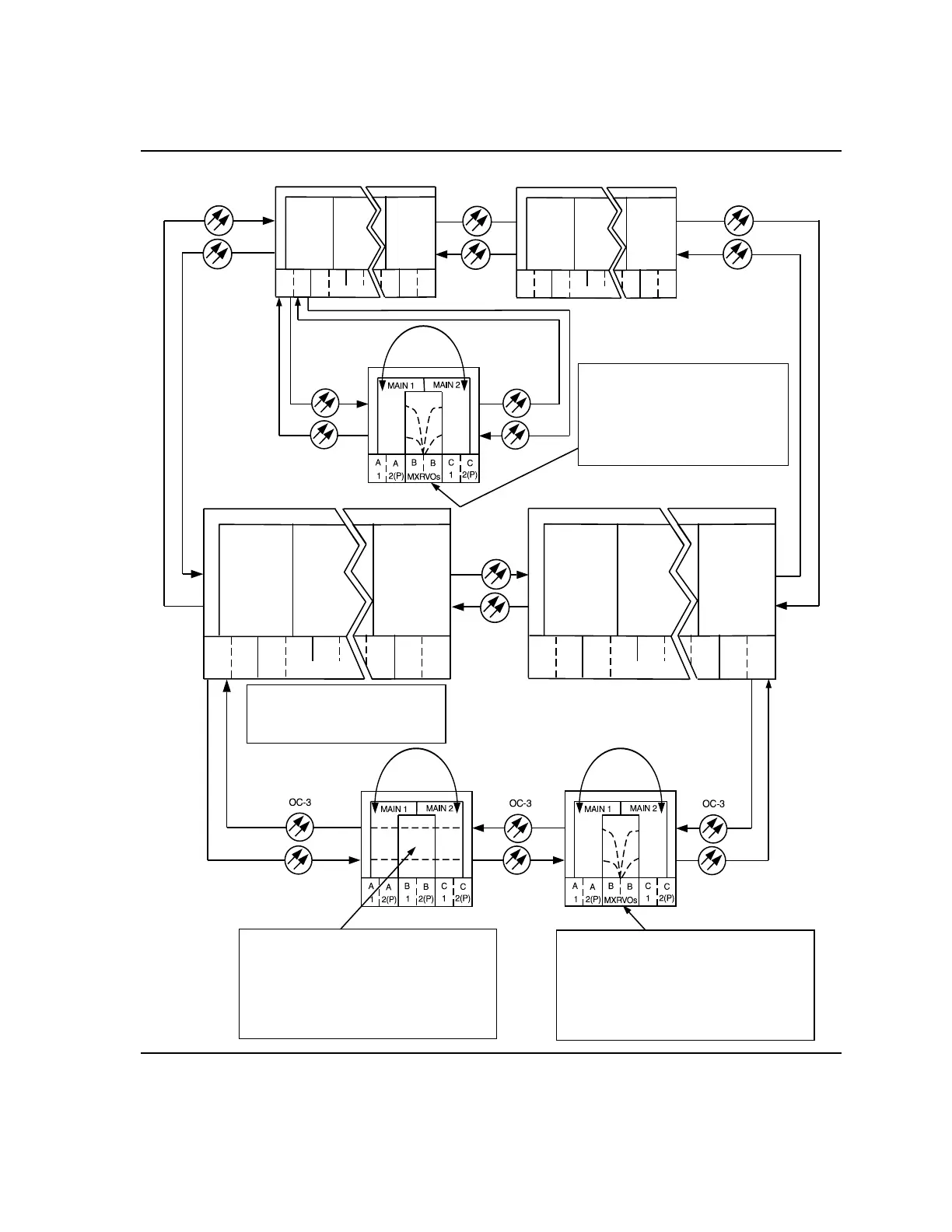
DDM-2000 OC-3 MULTIPLEXER
Figure 6 Example of Single/Dual Homing OC-48/OC-12 (LAN to DS1) (OC-3
with OC-12 Optics) Cross-Connections
OC-48
1A
2A 3A
2B
1B
TRMTR/
RCVR
TRMTR/
RCVR
7B
8A
8B
3
LS INTFC
FT-2000 OC-48
OC-48
OLIU
OLIU
1A
2A 3A
2B
1B
TRMTR/
RCVR
TRMTR/
RCVR
7B
8A
8B
3
LS INTFC
FT-2000 OC-48
OC-48
OC-3
DS1
DS1
OC-3
1A
2A 3A
2B
1B
TRMTR/
RCVR
TRMTR/
RCVR
7B
8A
8B
3
LS INTFC
FT-2000 OC-48
OLIU
OLIU
1A
2A 3A
2B
1B
TRMTR/
RCVR
TRMTR/
RCVR
7B
8A
8B
3
LS INTFC
FT-2000 OC-48
OC-48
b-2-1 to m-2-2-1
(ent-crs-vt1:b-2-1,m-2-2-1
where:
b-2-1 = address of DS1 port 1, LAN circuit
slot in LOW SPEED GROUP B#2,
m-2-2-1 = address of VT#1, VTG #2, STS #2
in MAIN OLIUs
m-2-2-1 to m-2-2-1 pass-through
(ent-crs-vt1:m-2-2-1,m-2-2-1
where:
m-2-2-1 = address of VT #1, VTG #2, STS #2
in MAIN OLIUs
m-2-2-1 = address of VT#1, VTG #2, STS #2
in MAIN OLIUs
See FT-2000 documentation
for information on
FT-2000 cross-connects
OC-3 Shelves with OC-12 Optics
b-2-1 to m-2-2-1
(ent-crs-vt1:b-2-1,m-2-2-1
where:
b-2-1 = address of DS1 port 1,
circuit pack #2, in Group FN-B
m-2-2-1 = address of VT#2, VTG #2,
STS #1 in MAIN OLIUs
Node 3
DDM-2000
OC-12
Node 1
DDM-2000
OC-12
Node 2
DDM-2000
OC-12
Faceplate Connector
Passes Through
Undropped STSs