EasyManua.ls Logo

Lucent DDM-2000 OC-3 - Page 237

Lucent DDM-2000 OC-3
1224 pages
Print Icon
To Next Page IconTo Next Page
To Next Page IconTo Next Page
To Previous Page IconTo Previous Page
To Previous Page IconTo Previous Page
Loading...
NTP-024: Circuit Order 363-206-285
Page 21 of 24 Issue 2, February 2000
DDM-2000 OC-3 MULTIPLEXER
DO ITEMS BELOW IN ORDER LISTED. . . . . FOR DETAILS, GO TO
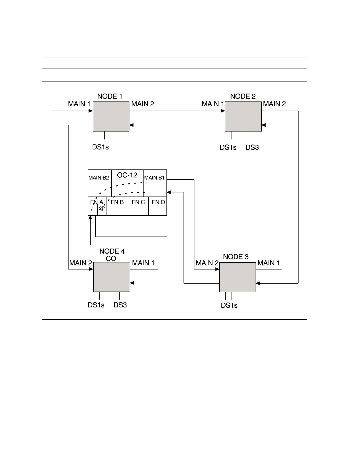
Figure 7 Basic 4-Node OC-3 Ring for OC-3 to OC-12 Ring Upgrade
24/29-
Type
OLIU
24/29-
Type
OLIU
24/29-
Type
OLIU
24/29-
Type
OLIU
24/29-
Type
OLIU
OC-3
OC-3
OC-3
OC-3