EasyManua.ls Logo

Lucent DDM-2000 OC-3 - Page 238

Lucent DDM-2000 OC-3
1224 pages
Print Icon
To Next Page IconTo Next Page
To Next Page IconTo Next Page
To Previous Page IconTo Previous Page
To Previous Page IconTo Previous Page
Loading...
363-206-285 Circuit Order: NTP-024
Issue 2, February 2000 Page 22 of 24
DDM-2000 OC-3 MULTIPLEXER
DO ITEMS BELOW IN ORDER LISTED . . . . .FOR DETAILS, GO TO
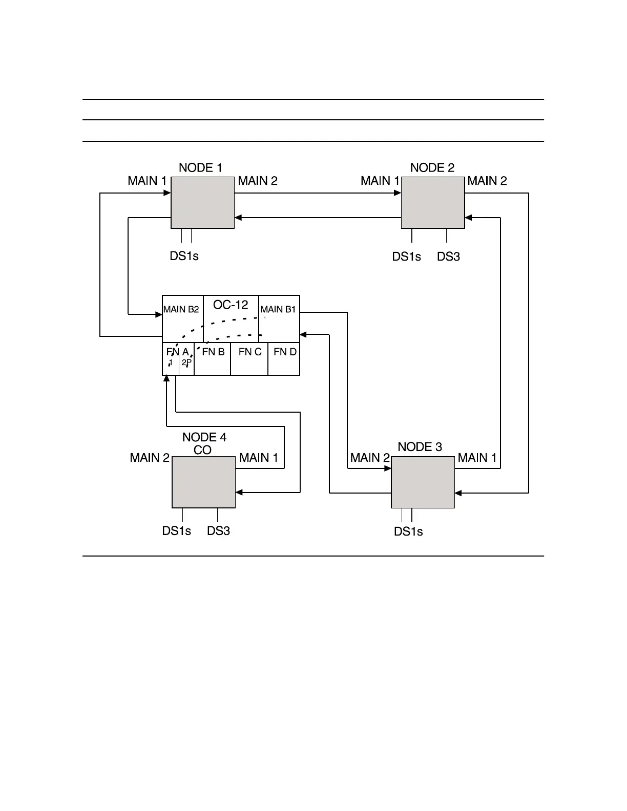
Figure 8 Basic 4-Node OC-3 Ring for OC-3 to OC-12 Ring Upgrade
24/29-
Type
OLIU
24/29-
Type
OLIU
24/29-
Type
OLIU
24/29-
Type
OLIU
24/29-
Type
OLIU
24/29-
Type
OLIU
OC-3
OC-3
OC-3
OC-3