EasyManua.ls Logo

Lucent DDM-2000 OC-3 - Page 284

Lucent DDM-2000 OC-3
1224 pages
Print Icon
To Next Page IconTo Next Page
To Next Page IconTo Next Page
To Previous Page IconTo Previous Page
To Previous Page IconTo Previous Page
Loading...
NTP-029: Circuit Order 363-206-285
Page 16 of 22 Issue 2, February 2000
DDM-2000 OC-3 MULTIPLEXER
DO ITEMS BELOW IN ORDER LISTED. . . . . FOR DETAILS, GO TO
22.
NOTE:
Wait until FAULT LED on MAIN OLIU extinguishes before
attempting switch.
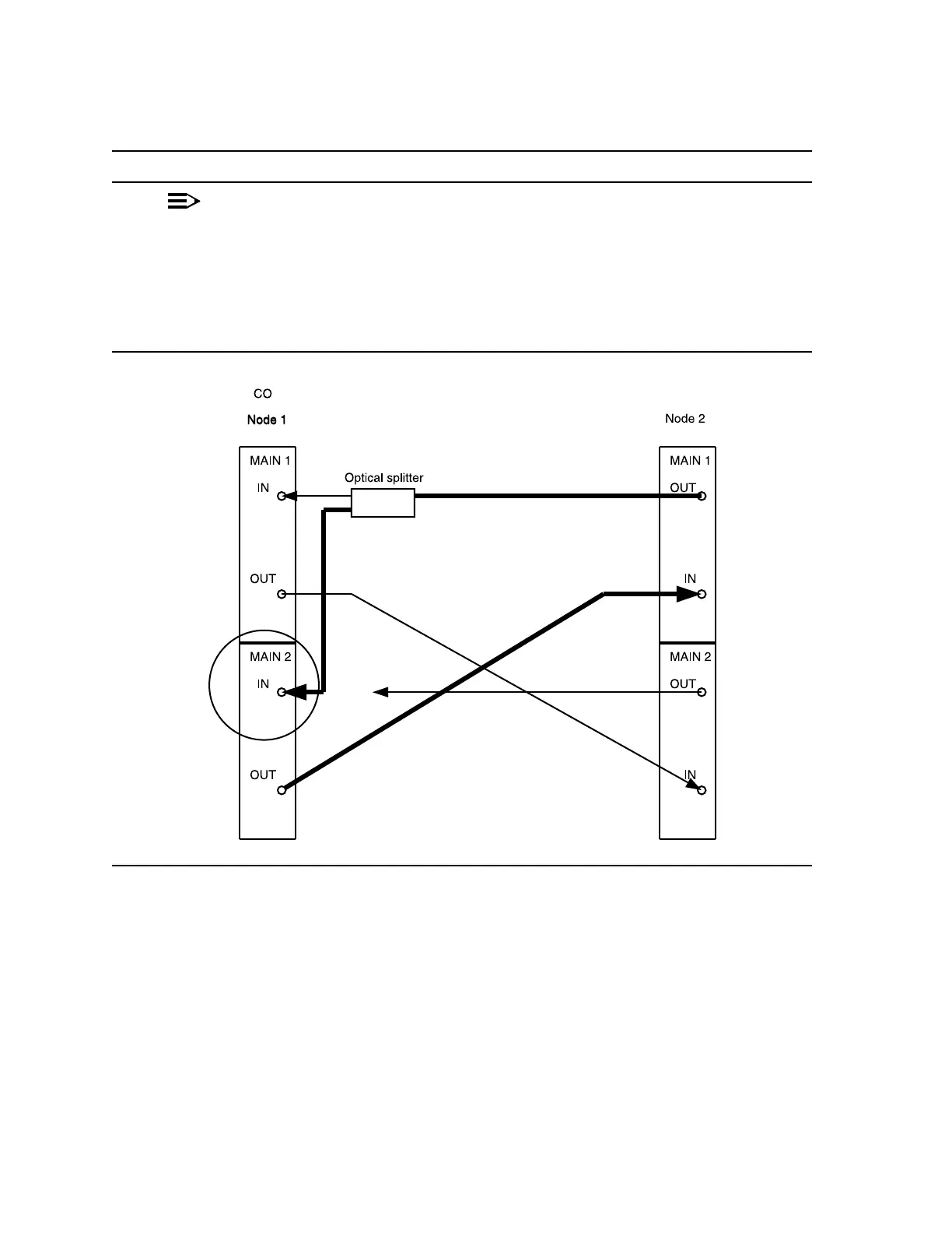
At Node 1, use the switch-line:main:pri=manual
command to switch service to the protection line (main-2 OLIU
active-rx at Node 1). (See Figure 12.)
Figure 12 DDM-2000 OC-3 Point-to-Point to Ring Upgrade